Сергей Слепнёв
г. Москва
Этот небольшого размера модуль, подключаемый к компьютеру через USB, поможет Вам контролировать температуру в различных точках дома: в комнате, аквариуме, на улице, в кладовке или батареи отопления.
Всё больше электронных приборов окружает человека, всё разумнее и доступнее они становятся, и мы всё больше и больше полагаемся на них. Они облегчают нам жизнь, делая её более комфортной. И одним из критериев комфортности является окружающая нас температура. И незаменимым помощником для поддержания её нужного значения может стать для Вас электронный блок MP707 (новая модель MP707mini}).
Предлагаемый блок позволит получить многоканальный цифровой термометр, подключаемый к персональному компьютеру через USB-порт. При желании, возможно, подключить внешнее исполнительное устройство (блок реле) и включать-выключать нагрузки при изменении температуры (осуществлять термостатирование). Устройство будет полезно для применения в быту, дома, на даче, в бане. С его помощью можно производить измерения температуры окружающей среды, контролировать рабочую температуру морозильников и холодильных установок, управлять различными нагрузками в автономном режиме, протоколировать измеренную температуру, формировать файл с текущими показаниями в HTML-формате (то есть контролировать текущую температуру и состояние нагрузок через Интернет), управлять нагрузкой с помощью командного файла.
Рис.1. Общий вид устройства.
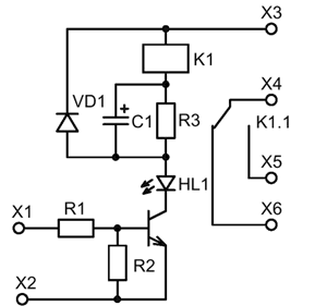
Рис.2. Электрическая принципиальная схема.
Технические характеристики:
- Напряжение питания, В 3,6…5 (от шины USB либо внешнего источника питания)
- Ток потребления не более, мА 30*
- Диапазон измеряемых температур, С -55…+125
- Штатный температурный датчик DS18B20
- Допустимое количество датчиков (при желании докупаются отдельно)** До 32 датчиков типа DS18B20, DS18S20, DS1820 или DS1822
- Количество каналов управления нагрузкой** 2
- Точность ±0,5°С
- Размеры печатной платы, мм 38x15
* зависит от количества подключённых датчиков
** дополнительные датчики температуры и исполнительные устройства при необходимости приобретаются и подключаются самостоятельно
Центральная часть устройства – микроконтроллер ATtiny45, работающий на частоте 16.5 МГц. Датчики подключаются через разъем J2 параллельно друг другу. Напряжение питания подаётся через USB-порт J1, либо (в автономном режиме работы) подаётся к разъёму J2.
Устройство может работать как в автономном режиме (контроль текущей температуры и управление приборами), так и под управлением специализированной программы для персонального компьютера.
Температурный сенсор DA1 размещен на плате устройства. Электронные компоненты вблизи датчика могут слегка нагреваться при работе, также на точность измерения влияет защитная термоусадочная оболочка, поэтому возможны небольшие погрешности измерения температуры (не более 0,5С). Более точное измерение могут обеспечить внешние датчики температуры, при желании приобретаемые и подключаемые согласно рис. 3. дополнительно. Рекомендуемая длина соединительной линии – не более 100 метров. При близкой к предельной длине линии следует использовать качественный провод: витую пару 5 категории. При наличии электромагнитных помех желательно использовать экранированный провод.
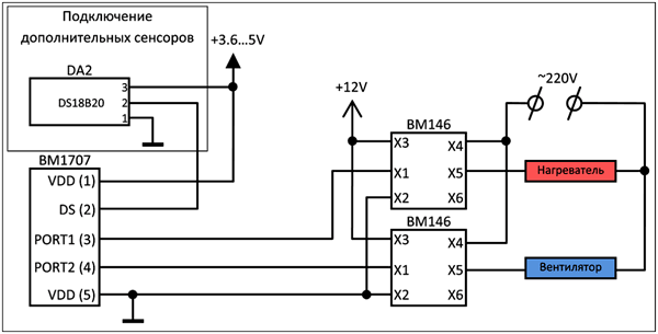
В автономном режиме работы устройство не требует подключения к компьютеру и может получать питание от любого сетевого адаптера 5В с разъёмом USB. Напряжение питания 3,6…5В (например, от стандартного литиевого элемента питания) также может быть подано через разъем J2 к точке Vdd. Через этот же разъем может быть реализовано управление внешней нагрузкой, например, используя модуль BM146 либо собрав исполнительное устройство самостоятельно.

Рис.3. Подключение внешних датчиков.
Рис.4. Схема подключения внешних мощных силовых нагрузок (обогревателей, тэнов и вентиляторов).
Рис.5 (a,b). Вид печатной платы сверху и снизу.
Рис.6. Монтажная плата с деталями.
Рис.7. Контроль за состоянием можно контролировать со своего личного сайта или Интернет-странички.

Рис.8. Данные в табличной форме.
Рис.9. Данные в виде графиков.
Рис.10. Программа имеет ряд простых настроек.
Рис.11. Температура отражается в трее.
Измеренная температура может отражаться не только на экране компьютера дома, показания температурных датчиков Вы сможете наблюдать где угодно, зайдя на свой сайт и предварительно настроив программу.
Рис.12
Эти показания также сохраняются в текстовом файле, просмотреть и обработать который можно с помощью Exсel.
Кроме того, можно подключить 2 дополнительных устройства управления нагрузкой, которые будут управлять нагреванием и охлаждением, например ящиком для хранения овощей. При этом не обязательно иметь постоянно включенный компьютер, так как устройство может работать в автономном режиме, поддерживая требуемую температуру. Достаточно задать нужные границы температуры и подключить его к любому блоку питания 5 В, например зарядному устройству для телефона через USB.
Особый интерес блок MP707 может представлять для тех, кто занимается выращиванием кристаллов различных солей, например медного купороса. Ведь чем медленнее охлаждается раствор соли, тем кристаллы растут крупнее и более правильной формы. Точность измерения температуры датчиков очень большая (0,0625С), что позволит строго удерживать температуру на нужном значении.
Материал опубликован в журнале Радиолюбитель 2010`10.











