Александр Каменский
г. Москва
Двухдиапазонный частотомер BM8010 является двух диапазонным частотомером (измерителем частоты) с ЖКИ и может быть использовано в качестве узла радиолюбительской аппаратуры либо отдельного устройства. Частотомер имеет ряд полезных возможностей:
- установка смещения;
- автоматическое/фиксированное нормирование частоты;
- установка уровня срабатывания;
- калибровка;
- настройка контрастности ЖКИ.
Основные технические характеристики
- Напряжение питания 8 В … 15 В
- Потребляемый ток на 12В, не более, мА 90
Низкочастотный вход
- Диапазон входных напряжений 0 B … 5 В
- Частота сигнала 1,1 Гц ... 32 МГц (1,1 Гц ... 12 МГц без применения дополнительных схем на входе)
Высокочастотный вход
- Тип входа 50 Ом
- Диапазон входных напряжений 0,0 B … 1,5 B
- Частота сигнала 0,5 МГц ... 960 МГц (100 МГц ... 960 МГц без применения дополнительных схем на входе)
Относительная погрешность измерения, не более 0,001
Рабочая температура окружающей среды, град Цельсия плюс 10 … плюс 55
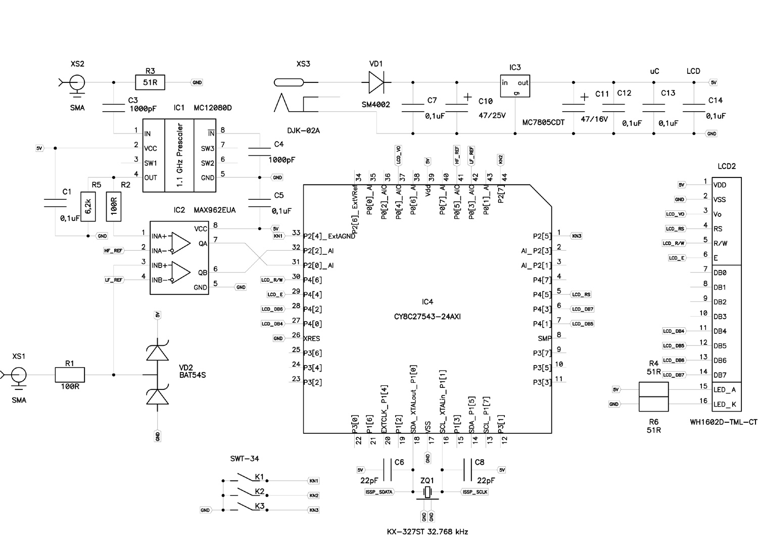
Схема электрическая принципиальная приведена на рис.1
Описание работы узлов частотомера
Система на кристалле
Основным элементом частотомера является микросхема IC4 - система на кристалле CY8C27543-24AXI фирмы Cypress. Благодаря наличию специализированных встроенных цифровых и аналоговых блоков данная микросхема легко реализует следующие функции:
- вычисление частоты импульсов, поступающих на входы P2.2 (НЧ канал) и P2.0 (ВЧ канал);
- выдача опорных напряжений для компаратора (P0.5 – ВЧ канал, P0.3 – НЧ канал);
- обработка по прерыванию нажатий на кнопки управления K1…K3;
- управление ЖКИ индикатором.
Тактирование микросхемы обеспечивается встроенным высокочастотным генератором, использующим в качестве опоры внешний часовой кварц ZQ1 типа KX-327ST 32.768 kHz.
Питание
Питание устройства подается через разъем DJK-02A XS3, при этом диод SM4002 VD1 защищает от переполюсовки. Микросхема линейного стабилизатора MC7805CDT IC3 понижает входное напряжение до рабочего 5В, а керамические и электролитические конденсаторы обеспечивают необходимую фильтрацию для надежной работы устройства.
Компаратор
Компаратор MAX962EUA IC2 обеспечивает необходимые характеристики фронтов сигналов для правильной обработки их системой на кристалле. При этом для каждого входного канала используется собственное опорное напряжение, настроить которое можно только для НЧ канала. Для ВЧ канала опорное напряжение фиксировано и определяется характеристиками микросхемы делителя. Дополнительно на входе НЧ канала применена схема защиты на основе резистора R1 и сборки диодов Шоттки BAT54S VD2.
Высокочастотный делитель
Для вычисления частоты сигнала поступающего на ВЧ канал применена микросхема MC12080D IC1 - делитель с коэффициентом 80. Входное сопротивление ВЧ входа стандартно и равно 50 Ом.
ЖКИ
Жидкокристаллический индикатор WH1602D-TML-CT LCD в двустрочном режиме отображает различную информацию: входные частоты каналов и меню, в котором возможно настроить и откалибровать устройство в случае необходимости.
При подаче напряжения питания автоматически включается подсветка, что позволяет работать с устройством даже при плохой освещенности.
Математическое обоснование
При разработке частотомера применены следующие методы вычисления частоты:
- подсчет опорных импульсов высокой частоты за период входного сигнала для измерения низкочастотных сигналов;
- подсчет количества периодов входного сигнала за опорный промежуток времени для измерения высокочастотных сигналов.
В первом случае относительная погрешность измерений равна (x/n) (зеленый график), где x-входная частота, а n = 24000000 (опорная частота). Во втором – (k/x) (красный график), где k = 3 (обновлений в секунду), а х – входная частота.
Розовой штрихпунктирной линией показан уровень относительной погрешности равный 0,0005 (в два раза лучше заявленной).
Вертикальная голубая линия обозначает границу работы алгоритма вычисления частоты. Абсцисса этой линии – примерно 8485 Гц.
При проведении расчетов не учитывается относительная погрешность внутреннего генератора системы на кристалле ввиду того, что она равна погрешности применяемого часового кварца и составляет десятки миллионных долей.








