Нет, ну в самом деле. Рано или поздно надоедает включать или выключать светодиоды, лампочки от карманного фонарика, маленькие моторчики, которые питаются от двух пальчиковых батареек. Все это кажется игрушечным, невсамделишним и никому не нужным. Хочется размаха, реального применения своих фотореле, термостатов, регуляторов мощности и прочих определенно полезных штуковин. Управлять "Большой" нагрузкой — вот это цель!
И это желание неизбежно приводит вас к использованию реальной сильноточной нагрузки, питающейся от сети 220В. Лампы, двигатели, нагреватели различного вида, мощности и назначения — это та нагрузка, с которой можно и нужно работать в реальных условиях.
Однако, коммутация сильноточной нагрузки — дело не очень-то и простое. Начать с того, что 220В — это действительно опасное для человеческой жизни напряжение. Опасно это напряжение так же и для вашей слаботочной конструкции, которой вы хотите управлять "большой" нагрузкой. И если раньше ваша схема целиком была слаботочной, то теперь вам необходимо разделить ее: на управляющую слаботочную часть, которая питается низким стабилизированным напряжением и силовую часть, которая непосредственно управляет нагрузкой, питается неважно как и спроектирована таким образом, чтобы пропускать через себя значительные токи (до 10-15А) при напряжении 220В.
Проектирование, макетирование, отладка силовой части конструкции — дело не сказать, чтобы сложное, ибо при соответствующей подготовке, знаниях, внимательности и осторожности подобные технические решения реализовываются относительно просто. Другой вопрос, что вышеуказанные качества для реализации этих решений есть далеко не у всех, особенно это касается начинающих и не очень опытных радиоконструкторов. Непременно в процессе создания вашей мощной конструкции палец, локоть, а то и ухо могут случайно коснуться токоведущих проводников силовой части в тот момент, когда они под напряжением и, поверьте мне, вам мало не покажется. Еще один распространенный случай — вы начинаете перепаивать компоненты силовой части конструкции, да вот незадача — вы забыли выключить ее из розетки...
На самом деле, всем вышенаписанным я не пытаюсь вас перепугать до дрожи в коленках, а хочу донести мысль, что во-первых, нужно быть предельно внимательным и осторожным, а во-вторых, если вы не чувствуете в себе должной уверенности, что сможете без проблем сделать силовую часть конструкции правильно, учтя все (или хотя бы большую часть) возможные проблемы, проконсультируйтесь со старшими коллегами. Не нужно стесняться своего незнания, нужно переживать за последствия этого.
Разумеется, помимо варианта самостоятельной разработки, есть еще вариант готового решения. То есть, вы разрабатываете слаботочную часть схемы, в которой реализована вся логика управления, а непосредственно механизм управления можно взять готовый, в виде модуля. Модуль получает управляющий сигнал от вашей схемы и по нему делает всю работу по коммутации нагрузки.
Как пример можно рассмотреть два модуля коммутации силовой нагрузки: NM0501 и NM0502. Отличаются они... а хотя сейчас сами увидите, чем именно.
Начнем с первого - NM0501.
Принципиальная схема модуля изображена на рисунке:
Основные технические характеристики:
| Мощность коммутируемой нагрузки, кВт | 2,2 |
| Напряжение питания нагрузки, В | 220 |
| Гальваническая развязка | да |
Коммутирующим элементом данного модуля является симметричный тиристор (симистор) BTA12-600 (T1). Для управления симистором используется оптосимистор MOC3023 (А1). На управляющий вход оптосимистора (Х1) подается управляющее напряжение со стороны слаботочной схемы, он открывается и открывает основной силовой симистор, в результате чего нагрузка включается. В свою очередь для схемы управления включить силовую нагрузку означает всего лишь включить светодиод и не более того. Очень удобно. Не нужны транзисторные ключи или любые другие элементы согласования — вы просто подключаете управляющий вход оптосимистора к выходу микроконтроллера или логической микросхемы, формирующей управляющий сигнал и все. Единственное ограничение — управляющим сигналом должен быть высокий уровень сигнала, логическая единица. То есть, если вы хотите включить нагрузку, разумеется. Для выключения — низкий уровень.
Цепочка R4, С1 служит для подавления электромагнитных помех в момент переключения симистора. Светодиод HL1 служит для индикации включения нагрузки. Сетевое напряжение подается на клеммник Х2, нагрузка подключается к клемнику Х3.
Кстати, помимо основной задачи — управления, на оптосимистор А1 возлагается еще одна не менее важная задача — гальваническая развязка. Такая развязка означает, что ваша схема управления полностью изолирована от силовой части и даже в случае чего питающее напряжение нагрузки никак не сможет попасть в схему управления и сжечь её. Так же совершенно свободно можно хвататься руками за любую часть схемы управления — никаких последствий для вашего здоровья от этого не наступит.
Модуль коммутации питается непосредственно от сетевого напряжения и никакого отдельного питания ему не требуется.
Есть, конечно, некоторый минус в этом устройстве — при коммутации нагрузки, мощностью более 300Вт, силовому симистору требуется радиатор. От 100 до 300кв. см. в зависимости от мощности нагрузки. Что, конечно, существенно увеличит габариты, но тут уж никуда не денешься. Полупроводниковый переход все еще имеет некое ненулевое сопротивление и из-за этого полупроводниковые приборы ощутимо греются.
Устройство собирается на небольшой печатной плате размером 59х20мм.
Соединения с сетью, нагрузкой и управляющей схемой выполняются проводами, соответствующего сечения с помощью винтовых клеммников. На плате предусмотрены отверстия под винт М2 для крепления платы в корпусе конструкции.
В набор входят все необходимые для сборки компоненты и даже припой.
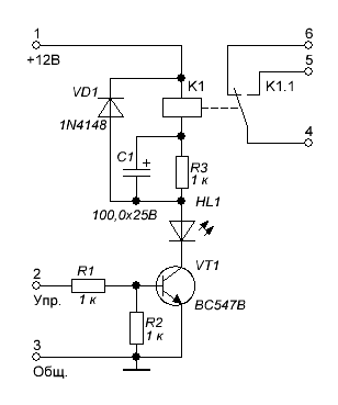
Перейдем ко второму модулю — NM0502.
Схема:
Основные технические характеристики:
| Мощность коммутируемой нагрузки, кВт | 2 |
| Напряжение питания нагрузки, В | 220 |
| Гальваническая развязка | Да |
| Напряжение питания, В | 12 |
| Макс. потребляемый ток, мА | 30 |
В схеме этого модуля применен другой элемент коммутации нагрузки — электромагнитное реле (К1). На транзисторе VT1 собран электронный ключ, который при подаче на него сигнала от схемы управления включает реле, которое своими контактами замыкает нагрузку. Или размыкает, кстати говоря. Как видите, у реле контактная группа переключения. Один контакт замыкается, тогда как другой размыкается. Таким образом по одному управляющему сигналу можно управлять сразу двумя нагрузками — одну выключать, другую включать.
Простейший пример — включение ночного освещения в прихожей или туалете — нам не нужен большой свет — жмем кнопку — выключается основной свет, включается дежурное освещение, необходимое, чтобы не наступить на кошку в темное.
Светодиод HL1 индицирует включение реле. Диод VD1 нужен для того, чтобы не пробить транзистор обратным током при выключении реле.
Устройство питается от источника постоянного напряжения +12В. Так же, как и первый модуль, М02 обеспечивает полную гальваническую развязку управляющей схемы от сетевого напряжения. В отличие от первой схемы, в этой ничего не греется и не нужен радиатор, что положительно сказывается на размерах всей конструкции. Однако, надо иметь ввиду, что если полупроводниковый симистор — штука практически вечная (конечно, если над ним не издеваться и правильно эксплуатировать), то у реле есть вполне определенный ресурс, выражающийся в количестве переключений контактов. Скажем, у того реле, которое входит в набор данного модуля этот ресурс составляет 100000 переключений (под нагрузкой). После этого производитель не гарантирует его правильную работу. Чаще всего причиной отказа реле становится прогорание его контактов.
Помимо этого, нужно учитывать, что у реле есть ненулевое время переключение. Обычно, оно составляет около 10 миллисекунд.
Модуль собирается на печатной плате с размерами 55х23мм.
У модуля есть винтовые клеммники, к которым подключается питание, схема управления и нагрузка. Кстати, в отличие от первого модуля, этот можно просто включить в разрыв питающего нагрузку провода. Например, вместо стандартного выключателя.
В набор входят все необходимые для сборки модуля компоненты, включая припой.
Подведем итоги. Вы можете выбрать любой модуль для управления нагрузкой — у обоих есть свои плюсы и минусы.
Модуль с симистором подключает нагрузку с практически нулевым временем, обладает практически неограниченным ресурсом работы, совершенно бесшумен и не требует отдельного питания. Может работать в системах термостатов и регуляторов мощности с ШИМ регулированием.
Модуль с электромагнитным реле не требует громоздкого радиатора, не имеет нагревающихся компонентов, может работать одновременно с двумя нагрузками — на включение и на выключение.
Выбирайте, что вам ближе и коммутируйте на здоровье.





