Набор NR04, являющийся логическим продолжением конструктора NR03 «Основы схемотехники», носит название «Классика схемотехники» и посвящен изучению микросхем, а точнее, одной «классической» микросхеме - легендарному интегральному таймеру серии 555.
Все 20 экспериментов выполнены на базе этой несложной по современным понятиям, но примечательной микросхемы.
Немногие электронные компоненты могут похвастаться названием «легендарный». Да, были, есть и будут компоненты популярные, широко распространенные в течение какого-то промежутка времени. Но чтобы при современной скорости научно-технического прогресса оставаться вполне современными и востребованными – таких немного! И один из таких компонентов – это интегральный таймер NE555. Под этим наименованием в 1971 году он был выпущен фирмой Signetics и с тех пор практически в неизменном виде выпускается многими известнейшими производителями электронных компонентов.
Этому безусловно способствует очень удачное сочетание функционала и цены. Пятерки традиционно входят в наименование у всех производителей, кроме, пожалуй, отечественных. У нас эта микросхема носит название 1006ВИ1.
Таймер 555 до сих пор служит источником вдохновения для множества любителей и профессионалов в области электроники. Ими разработано множество полезных и дешевых решений на основе этой аналоговой микросхемы.
Двадцать электронных схем, тщательно отобранных инженерами Мастер Кит для изучения, подробно описаны в красочном обучающем пособии, расположены по нарастающей сложности и охватывают все функциональные возможности микросхемы – от схем, поясняющих принцип работы NE555, до практических реализаций устройств, имеющих в основе один или два таймера: генераторов, реле времени, сигнализаторов, звуковых модулей, устройств задержки, подавления дребезга контактов и др.
Все схемы собираются на беспаечной макетной плате и питаются от 9-ти вольтовой батарейки типа "Крона".
В пособии также даты описания электронных компонентов, входящих в состав набора: их внешний вид, схематическое обозначение, маркировка. Поэтому даже начинающему электронщику будет легко собрать любую из предложенных схем.
В пособие в духе традиций Мастер Кит включена небольшая теоретическая часть с необходимыми разъяснениями к каждой схеме, а основной упор сделан на практический опыт и результат. Наглядные результаты работы предусмотрены во всех схемах – либо светодиодная световая индикация, либо звуковая с помощью маломощного динамика. Не забыт и очень полезный раздел «Проверь себя» с вопросами по рассматриваемой теме.
Приведем для ознакомления оглавление учебного пособия, это поможет понять, какие схемы можно собрать в процессе освоения интегрального таймера:
Введение
- RS-триггер
- Простая сигнализация
- Классический таймер
- Таймер с запуском от сенсора
- Индикатор снижения напряжения
- Триггер Шмитта
- Моностабильный триггер
- Схема задержки включения нагрузки
- Генератор прямоугольных импульсов
- Многофункциональный генератор
- Схема плавного управления яркостью светодиода
- Оптический терменвокс
- Метроном
- Фотореле
- Сирена
- Пробник-прозвонка
- Имитатор звука пулемета
- Двухтональный звонок
- Забавная сирена
- Светофор
Проверь себя
Ответы
Заключение
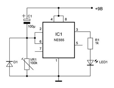
Приведем для примера электрическую и монтажную схемы задержки включения акустических систем в усилителе звуковой частоты для исключения щелчков и выхода их из строя. При подаче питания на схему светодиод LED1 включится через время, определяемое постоянной времени цепочки С1, VR1 и может регулироваться в широких пределах с помощью подстроечного резистора VR1. Если вместо резистора и светодиода на выход 3 микросхемы подключить электромагнитное реле, получится полноценная схема задержки включения.
В этот набор, также, как в NR03 , входит более 100 электронных деталей, что позволяет собирать конструкции, не входящие в пособие.
Обращаем ваше внимание, что наборы NR03 и NR04, являющиеся дополнением друг для друга можно приобрести в комплекте. При этом каждый набор обойдется дешевле, чем при покупке по отдельности.
Если у вас есть оба набора, то это значит, что в вашем распоряжении находятся более 200 распространенных радиотехнических электронных компонентов, две обучающие брошюры и, стало быть, вы имеете обширнейшее поле для обучения и экспериментов по электронике.
Подписывайтесь на наши новости, чтобы всегда быть всегда в курсе новинок и специальных предложения на сайте компании Мастер Кит.







