Как бы ни развивались технологии, чем бы сегодня не удивляли нас многочисленные гаджеты и девайсы, его величество РАДИО по-прежнему с нами. Мы слушаем радио в машине по дороге на работу, дома, на даче и даже порой на работе. Сегодня речь пойдет о простом эксперименте, в результате которого мы получим радиоприемник, способный порадовать своего обладателя компактными размерами и отсутствием источника питания.
Итак, радио! Компактное, беспроводное, без источника питания.
Для работы нам потребуется:
- 2 диода например серии Д2, Д9 или из современных 1N5711;
- Керамический конденсатор номиналом 1500 – 6800 пФ;
- В качестве антенны можно использовать кабель эфирного телевидения;
- В качестве заземления можно использовать батарею отопления;
- Отрезок провода длиной 10 – 15 метров, в качестве антенны;
- Наушники высокоомные ТОН-2М с угольными микрофонами.

Рис. 1 Необходимые компоненты
Подключите данные компоненты согласно фото (Рис 2.).
Рис. 2 Подключение
При подключении диодов соблюдайте полярность. Благодаря нехитрой схеме получаем простейший приемник настроенный на одну радиостанцию. В качестве антенны можно использовать центральную жилу кабеля эфирного телевидения. А в качестве заземления – систему отопления ( комнатная батарея).
Если хотите сделать прием громкоговорящим, к наушнику необходимо прикрепить рупор необходимой формы и размеров. Рупор можно изготовить из любых материалов, например бумага или картон.
В таблице 1 можно увидеть приблизительное расстояние уверенного приема радиостанций в зависимости от излучаемой мощности радиостанции.
Мощность радиовещательной станции, кВт | Наибольшее расстояние надёжного и регулярного приёма радиопередач, км | Наибольшее, расстояние, на котором возможен надёжный приём музыкальных передач, км |
|---|---|---|
1 | 35...40 | 50...60 |
4 | 50...60 | 80... 90 |
10 | 100...120 | 130...150 |
20 | 250...270 | 300...320 |
40 | 300...320 | 340...360 |
100 | 400... 450 | 450...500 |
500 | 690...790 | 700...850 |
Таблица 1
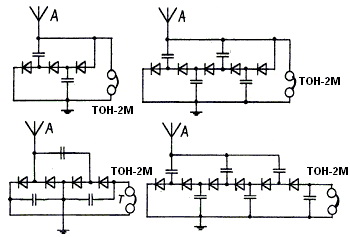
При желании, можно дальше продвинуться в экспериментах, увеличив количество диодов и конденсаторов, что существенно увеличит громкость приемника (Рис. 3).
Если схему поместить в корпус, можно получить постоянно работающий приемник, не нуждающийся в источнике питания.

Рис. 3 Модификация

