Беспроводный сабвуфер для LED телевизора своими руками. Делаем вместе. Часть II. Схема
Беспроводный сабвуфер для LED телевизора своими руками. Делаем вместе. Часть II. Схема
Беспроводный сабвуфер для LED телевизора своими руками. Делаем вместе. Часть II. Схема
Статьи

Беспроводный сабвуфер для LED телевизора своими руками. Делаем вместе. Часть II. Схема

Если нет особых возражений по блок схеме и идее описанной в первой части , то рассмотрим реализацию подробнее:

SPDIF декодер (DIR9001)

Для передачи цифрового аудио между устройствами в коммерческих устройствах используется стандартизированный интерфейс S/PDIF (электрический) и TOSLINK (оптический), а для профессионального использования AES3. SPDIF декодер будет использоваться для преобразования сигнала S/PDIF в сигналы интерфейса I2S, который обычно используется в аудио ЦАП. Я выбрал микросхему DIR9001, которая отлично работает и имеет высокие технические характеристики.

Описание схемы.

Подача питания на декодер осуществляется через разъем миниUSB подключенный кабелем USB/miniUSB к одному из портов USB на телевизоре. Если все порты будут заняты, то его можно подключить к сетевому 5-вольтовом блоку питания с USB разъемом.
Для питания DIR9001 необходимо 3.3В. я буду использовать импульсный преобразователь на MC34063A (IC2).

Оптический вход (OX1) построен на приемнике с выходом TTL. - “GQ-01 receiver” из каталога Электронщик, это аналог Toshiba TORX173. ИС DIR9001 требует внешнюю цепь сброса. Я буду использовать MCP120T-300. DIR9001 может работать от внешнего генератора или от входного сигнала. Я использовал схему с внутренним PLL без внешнего кварца, которая синхронизируется от входного сигнала с частотой дискретизации 32, 44,1, 48, 88,2 или 96 кГц. Для внутреннего PLL нужен внешний фильтр – C9, C11 и R13.

Выходные сигналы: SCK, LRCK, BCK, DATA и GND, +5 В, +3,3 В выведены на восьми контактный разъем, предназначенный для подключения ЦАП передатчика.

Светодиод POWER загорается, когда подано напряжение +5В. Светодиод ERROR загорается, когда отсутствует S/PDIF сигнал. Светодиод AUDIO загорается, когда S/PDIF сигнал не содержит чистые PCM аудио данные, например, когда принимается кодированные сигналы AC3 или DTS.

Мастер Кит Беспроводный сабвуфер для LED телевизора своими руками. Делаем вместе. Часть II. Схема SPDIF декодер (DIR9001) схема

Рис.1

Передатчик/приемник цифрового аудио PurePath (СС8520 + CC2590).

Описание схемы

Чип включает в себя процессор управления радиоканала c несколько выводов I/O. В радио модуле использована адаптивная скачкообразная перестройки частоты, прямая коррекция ошибок (Forward Error Correction, FEC,), буферизация, передача данных со скоростью 5 или 2 Мбит/с.

Оригинальная технология «мастер – ведомый», позволяет подключить до 4 ведомых блоков к одному мастеру!

Это свойство можно использовать так: одного ведомого под к нашему сабвуферу, а ещё одного на беспроводную акустику.
Микросхема имеет последовательный интерфейс I2C, с помощью которого можно, например, установить громкость в подключенном ЦАП.

Микросхема программируется через разъем SPI например с помощью CCDebugger от TI. Для программирования не требуется знать языки программирования, потому что прошивка создается с помощью PurePath Wireless Configurator. Время от времени публикуется новая версия конфигуратора с новыми прошивками с новыми функциями.

К ИС можно подключать внешний радио усилитель на ИС CC2590 для увеличения мощности передачи и чувствительности приема. Аудио данные передаются и принимаются в I2S формате.

Самостоятельно монтировать эту микросхему очень трудно из-за её размеров и высокочастотной части (2.4 ГГц!). Поэтому в нашем беспроводном сабвуфере будем использовать модуль MP CC8520 (рис.2). В нем смонтированы микросхемы СС8520 и CC2590, кварцевый резонатор и вся обвеска для цифровой и радио части.

Дальность связи между двумя таким сборками может легко достичь 50 метров.

Плату сделаем универсальной – приемник/передатчик. (в зависимости от прошивки).

На плате будет смонтирована сама сборка, Два 8-пиновых разъема для подключения к SPDIF декодеру (DIR9001) в передатчике или аудиоконвертеру в приемнике.

Мастер Кит Беспроводный сабвуфер для LED телевизора своими руками. Делаем вместе. Часть II. Схема Передатчик/приемник цифрового аудио PurePath (СС8520 + CC2590)Рис.2

Мастер Кит Беспроводный сабвуфер для LED телевизора своими руками. Делаем вместе. Часть II. Схема Передатчик/приемник цифрового аудио PurePath (СС8520 + CC2590) схема

Рис.3

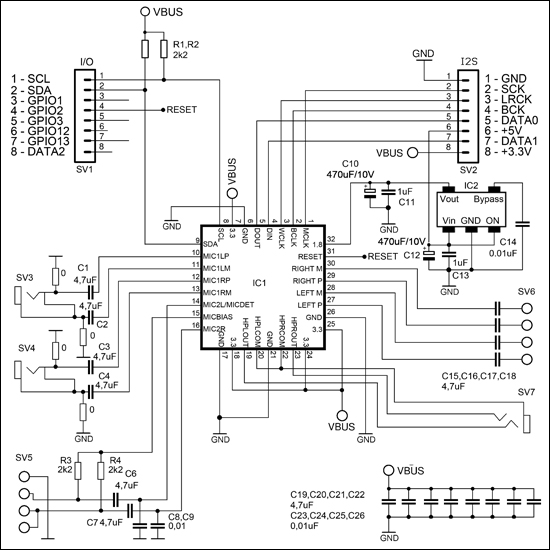
Аудиоконвертер (TLV320AIC3101).

ИС TLV320AIC3101 - стерео кодек от Texas Instruments с разрядностью до 32-Bit.

Описание схемы.

Схема подключения TLV320AIC3101 (IC1) показана на рисунке 4.

Так как для питания цифрового ядра этого кодека требуется 1.8В на плате установим преобразователь LP2985AIM5-1.8 (IC2).

Для подключения к «Передатчику/приемнику цифрового аудио» используются разъемы SV1 и SV2. Аналоговый сигнал будем снимать с SV6.

Остальные разъемы на всякий случай: SV7 драйвер для 16 Омных стереонаушников. SV3, SV4 - аналоговый вход. SV5 для подключения микрофонов. В этом проекте эти входы/выходы не понадобятся, но пусть будут, может потом, захотим построить беспроводные телефоны с гарнитурой.

Мастер Кит Беспроводный сабвуфер для LED телевизора своими руками. Делаем вместе. Часть II. Схема Аудиоконвертер (TLV320AIC3101) схема

Рис. 4

 

Окончание

 

Рейтинг@Mail.ru

Почему выбирают Мастер Китнас


Мы в Сети


© 1999-2024 Мастер Кит