Технические характеристики BM8039 / ВМ8039D
Uпит. постоянное, В +9...14
Uпит. ном. постоянное, В +12
Iпотр. ожидание. при Uпит. ном., А 0,2
Iпотр. передача. при Uпит. ном., А 1,5
Рекомендуемый источник питания, в комплект не входит PW0920B, GS15E-3P1J, PW1215B, ES18E12-P1J
Рекомендуемый источник автономного питания, в комплект не входит BM8079D, ACC_12V_1.3Ah_DJW12-1.3, ACC_12V_2.3Ah_DJW12-2.3, ACC_12V_4.5Ah_DJW12-4.5, ACC_12V_7.0Ah_DJW12-7.0
Тип контроллера ATmega32A-AU
Интерфейс связи с ПК USB
Максимальное количество событий ...256
Тип беспроводного канала GSM 900 / 1800
Управление любым из 6 выходов с помощью звонка без поднятия трубки Да
Количество телефонных номеров хозяев системы ...256
Количество СМС сообщений на одно событие ...256
Количество охраных зон (в режиме ATZ1
по две охранных зоны на каждом из 8 входов) ...16
Количество входов дискретных (замыкание/размыкание) общее ...8
Уровень входного сигнала на любом из 8 входов, В 0...24
Количество выходов всего 6
Количество выходов выходов с реле 2
Нагрузочная способность каждого реле 2А / ~220В
Тип промежуточного реле для управления мощной нагрузкой более 500 Вт, в комплект не входит TR91-12VDC-SC-C, TRY-12VDC-P-4C, TRY-220VAC-P-4C
Количество выходов ТТL +5В/20мА 4
Количество входов Touch Memory 1
Количество запоминаемых ключей Touch Memory ...256
Тип ключей Touch Memory, в комлект не входят DS1990A
Тип используемого считывателя ключей Touch Memory, в комплект не входит NT801/1, NT801_2, KTM-B
Расстояние до считывателя ключей Touch Memory, м ...15
Количество входов 1-wire для подключения термодатчиков 2
Количество подключаемых термодатчиков
на каждую из двух линий 1wire 16
Тип цифровых термодатчиков Maxim, в комплект не входят DS18B20, DS18S20, DS1822
Диапазон измеряемой температуры, °С -55...+125
Тип используемого датчика дыма совместно с BM8039S, в комплект не входит ИП212-90, ИП212-хх серия - любые
Тип используемого датчика движения, в комплект не входит MA802, Рапид вар. 1, Сокол-2, и т.д., любые
Рекомендуемый модуль АЦП для работы с аналоговыми датчиками (влажности, давления и т.д.), в комплект не входит MP309
Рекомендуемый датчик влажности, в комплект не входит (датчики серии HIH-40хх не рекомендуются по причине сложности настройки и неустойчивости работы) HIH-4602-L
Тип используемого микрофона, в комплект не входит ECM-4F
Тип используемого корпуса для ВМ8039D, в комплекте BOX-23-63 Корпус пласт. на DIN рельс 88х59х37 мм
Можно использовать совместно с BM8079D Источник бесперебойного питания 12В/0.4 А NT800 Аккумулятор свинцовый BM8069D Устройство расширения входов/выходов BM8070D Силовое реле 16А / 250В на DIN-рейку
MA802 PIR детектор движения
BM8039S Датчики дыма и устройство согласования
MP309 Блок 4-канального АЦП
NT801/1 iButton/Touch Memory (электронный идентификатор)
NT801/2 Считыватель с ключами IButton
MP319 Беспроводный ключ iButton
Габаритные размеры BM8039 в корпусе без учета выступающих частей (разъемов, проушин и т.д.), ДхШxB, мм 113 х 80 x 32
Габаритные размеры BM8039D в корпусе, ДхШxB, мм 88 х 59 х 37
Температура эксплуатации, °С -25...+55
Относительная влажность эксплуатации, % ...85
Производство Контрактное производство в России
Гарантийный срок эксплуатации 12 месяцев с даты покупки
Срок эксплуатации 5 лет
Вес в упаковке, г 600
Комплект поставки BM8039D
Наименование Количество
BM8039D в сборе в корпусе 1
Mini-USB кабель 1
ANT GSM BY-GSM-12 SMA-M 3M Антенна GSM 900/1800 МГц
с магнитным креплением, с проводом 3 метра 1
Комплект "геркон+магнит" ИО 102-16/2 2
Резистор 1 кОм 8
Светодиод 3 мм 1
Инструкция пользователя 1
Комплект поставки BM8039
BM8039 в сборе в корпусе 1
Mini-USB кабель 1
ANT GSM ADA-0062 SMA-M 2.5M Антенна GSM 900/1800 МГц
с крепл. на двухст. скотч, с проводом 2,5 метра 1
Комплект "геркон+магнит" ИО 102-16/2 2
Резистор 1 кОм 8
Главный разъем с проводами 1
Светодиод 3 мм 1
Инструкция пользователя 1
Схема подключений BM8039
 
Назначение контактов BM8039 основного разъема (большой) 1...8 входы линий охраны и 1...2 выходы устройства
 
Для подключения к этому разъему рекомендуется использовать 21.311.1253.0 Колодка клемная (зажим контактный винтовой), к которой удобно подключать входы и выходы с помощью отвертки.
Назначение контактов BM8039 дополнительного разъема (малый) 1...2 входы 1-wire, вход МКФ, выход биппера и 3...6 выходы устройства
 
Для подключения к этому разъему рекомендуется использовать IDC-20 Розетка двухрядая на шлейф 2х10, шаг 2,5 мм
 
Назначение контактов BM8039D
Назначение контактов BM8039D разъема типа СОМ
1 - GND (общий) провод шины термодатчиков.
2 - Первый 1-wire DATA вход для подключения 16 цифровых датчиков температуры Maxim.
3 - Второй 1-wire DATA вход для подключения 16 цифровых датчиков температуры Maxim.
4 - GND (общий). Подключите черный отрицательный провод питания.
5 - VCC (положительный контакт питания) Выход питания системы +3,6В для Пользователя. При его использовании будьте внимательлны! Это - питание контроллера системы!
6 - Выход 6 TTL +5В/20мА для управления внешним ключом с реле
7 - Выход 5 TTL +5В/20мА для управления внешним ключом с реле
8 - Выход 4 TTL +5В/20мА для управления внешним ключом с реле
9 - Выход 3 TTL +5В/20мА для управления внешним ключом с реле
Настройка BM8039_BM8069D_smok_move.mkd системы охраны для подключения неограниченного количества датчиков дыма на вход BM8069D согласно фото ниже
Фото подключений BM8069D - Устройство расширения входов/выходов на вход 6 в режиме "На линии появился ноль". Максимальное количество подключаемых датчиков дыма - неограниченно. При этом система следит за целостстностью линии датчиков дыма и МА802 к ВМ8039(D)
Описание BM8039 / ВМ8039D
Данное устройство позволяет подключить ко входам линий охраны (каждый вход имеет гибкую настройку режима слежения за линией):
- Нормально-замкнутые герконовые датчики, соединенные последовательно.
- Нормально-разомкнутые механические датчики, соединенные параллельно.
- Датчики изменения объема с активным выходом до +24 В.
- 2 линии проводных цифровых датчиков стандарта 1-wire (температуры и т.д.) с количеством датчиков на каждой линии до 16 (всего – до 32 шт). При этом общая длина линии составляет около 50 метров.
По сигналу от одного из датчиков устройство может отправить одно и то же СМС с заранее заготовленным текстом 256 пользователям. Для этого нужно запоkнить все 256 строк Конфигуратора одним и тем же СМС с заранее заданным текстом и 256 разными телефонными номерами. При этом система будет их отправлять по очереди в порядке их записи.
Индикаторы режима работы
На корпусе устройства расположены индикаторы "Сеть GSM есть" (нижний на корпусе) и "Охрана вкл." (верхний на корпусе), а также кнопка "Охрана вкл/выкл.".
Для более удобной эксплуатации рекомендуется подключить внешний светодиод "Охрана вкл." (при подключении проверьте полярность светодиода батарейкой +3В!) и внешнюю кнопку "Охрана вкл/выкл." проводом на расстоянии от устройства до 50 метров. Они необязательны для работы системы и обеспечивают лишь удобство эксплуатации. При этом внешний светодиод "Охрана вкл." полностью дублирует индикатор "Охрана вкл." на корпусе устройства, а внешняя кнопка "Охрана вкл/выкл." полностью дублирует кнопку "Охрана вкл/выкл." на корпусе устройства.
- "NET LED" - индикатор "Сеть GSM есть". После включения устройства и успешного обнаружения сигнала GSM данный индикатор редко мигает один раз в пять секунд, что подтверждает правильную работу устройства и наличие сети GSM.
При необнаружении сигнала GSM индикатор часто мигает один раз в секунду. Это возможно из-за отсутсnвия сигнала GSM, слабого сигнала GSM или плохого контакта в разъеме антенны GSM.
- "ALARM LED" - индикатор "Охрана вкл./выкл.".
Подключение входов/выходов
К главному (большому) разъему устройства подключите линии охраны, внешнюю кнопку управления, внешний светодиод, питание +12В/1А.
К сожалению, иногда в главном разъеме провода не соответствуют цветовой маркировке в инструкции. В этом случае, пожалуйста, подключите провода согласно рисунка 9 Руководства Пользователя (см. рисунок ниже) и не обращайте внимания на цвет проводов.
Антенна подключмте к разъему SMA. После подключения питания устройство готово к работе. Если устройство включается впервые, то перед использованием его нужно настроить. Для этого предусмотрен разъем USB, к которому подключается ПК и с помощью программы Конфигуратор устройство настраивается.
К дополнительному (малому) разъему подключите цифровые датчики температуры Maxim DSxxxx (в комплект не входят, приобретаются отдельно).
Для подключения внешней звуковой сигнализации потребуется усилитель мощности, например BM2043.
ВМ8039 разместите в скрытом от посторонних труднодоступном месте для того, чтобы затруднить его поиск и вывод из строя злоумышленником. Внешнюю кнопку управления разместите в скрытом от посторонних легкодоступном месте для того, чтобы можно было при входе легко выключить, а при выходе легко включить систему (возле входной двери за зеркалом, за шкафом, под подоконником, и т. д.)
8 входов и 24 канала охраны
Устройство имеет 8 входов линий охраны, к которым подключаются датчики. При этом каждый вход назначается одному из 24 каналов охраны в программе Конфигуратор на ПК.
Каждый канал можно настроить на контроль следующих событий на назначенном ему входе:
- Появление на входе логического 0.
 - Появление логической 1 (сигнал уровня +5...24В).
 - Появление или логического 0 или логической 1 («0 SET» или «1 SET»).
 - Изменение сопротивления линии (отслеживание нарушения «нормального» сопротивления 1кОм между линией и общим проводом) («R change»).
 
Таким образом, для двух каналов можно использовать один вход и оба канала настроить на разные (один из 4х) режимы слежения за этой линией. Например, линию2 можно настроить на слежение за появлением нуля по каналу1 и слежение за изменением сопротивления сопротивлением этой же линии по каналу2. Для наибольшей гибкости предусмотрена реакция как на переход канала в режим тревоги, так и на обратный переход – восстановление нормального режима данного канала (вид реакции задается в Конфигураторе).
Установка программы Конфигуратор для BM8039 / ВМ8039D свежей версии на ПК
Пожалуйста, убедитесь, что у Вас на ПК установлена программа Конфигуратор свежей версии. Если версия Вашего Конфигуратора ниже свежей, скачайте программу http://guard-master.ru/load/obnovlenija/2-1-2
- Закройте Конфигуратор на ПК если программа запущена.
- Установите свежую версию Конфигуратор на ПК (можно без удаления существующей). После этого Вы можете использовать Полное Руководство Пользователя ВМ8039 тут: Пуск --- Программы --- Masterkit --- BM8039 --- User Manual, или вверху этой страницы.
Первое включение BM8039 / ВМ8039D
- Вставьте СИМ-карту, которая НЕ ЗАЩИЩЕНА PIN-кодом и имеет на счете 100 рублей в устройство.
Для снятия защиты СИМ карты PIN-кодом, пожалуйста, установите ее в любой мобильный телефон и отключите запрос PIN-кода при включении телефона согласно инструкции на этот телефон. Если при включении мобильный телефон сразу позволяет совершать звонки - значит защита СИМ карты PIN-кодом успешно отключена. Теперь эту СИМ карту можно использовать в данном устройстве, если на ее счете имеются деньги. Пожалуйста, проверьте баланс СИМ карты, для чего наберите *100#, затем ВЫЗОВ (для МТС и Мегафон) или *102#, затем ВЫЗОВ (для Би-Лайн) или что-либо похожее для Вашего оператора связи.
- Подключите питание +12В. При этом поочереди мигают индикатор "Охрана вкл." и "GSM сеть". В это время происходит поиск сети GSM и установление связи с сотовой станцией, которое может продолжаться до трех минут. После успешного установления связи индикатор "Сеть GSM есть" мигает один раз каждые пять секунд.
Пожалуйста, убедитесь, что у Вас на ПК установлена программа Конфигуратор свежей версии. Если версия Вашего Конфигуратора ниже свежей, скачайте программу Конфигуратор свежей версии выше.
- Для работы с Конфигуратором свежей версии нужно, чтоб на ПК была свежая версия и в ВМ8039 тоже была такая же версия, поэтому обновите прошивку устройства до версии, установленной на ПК, для чего:
- Соедините устройство с ПК с помощью входящего в комплект кабеля. При этом постоянно светят оба индикатора.
Если оба индикатора не светят, пожалуйста, уберите галочку напротив "Разрешить отключение этого устройства для экономии энергии" на вкладке "Управление электропитанием" в "Свойства" порта.
- Для предотвращения отключения USB-порта во время соединения для экономии энергии, пожалуйста, войдите в Пуск --- Настройка --- Панель Управления --- Система --- Оборудование --- Диспетчер Устройств --- Порты (СОМ и LPT) --- Silicon Labs CP210x USB to UART Bridge (COM3).
- Нажмите правой кнопкой мыши на Silicon Labs CP210x USB to UART Bridge (COM3) и выберите "Свойства".
- Перейдите на вкладку "Управление электропитанием" и уберите галочку напротив "Разрешить отключение этого устройства для экономии энергии" в соответствии с рисунком ниже.
Предотвращение отключения USB-порта во время соединения для экономии энергии
 
- Посмотрите, какой порт ОС выделила для устройства, для чего войдите в Пуск --- Настройка --- Панель Управления --- Система --- Оборудование --- Диспетчер Устройств --- Порты (СОМ и LPT) --- Silicon Labs CP210x USB to UART Bridge (COM3).
- Если Ваш ПК назначил BM8039 более высокий порт, чем СОМ3, пожалуйста, переназначте номер порта на более низкий, для чего войдите: Port Settings – Advanced – Com Port Number и задайте номер порта не более четвертого - СОМ3.
BM8039 определяется ОС ПК как Silicon Labs CP210x USB to UART Bridge
- Установите соединение устройства с ПК, для чего войдите вверху программы в ГАРДИАН ВМ8039 --- "Установка соединения" и выберите такой же порт, который Вы только что видели (в нашем случае СОМ3).
- Войдите в Конфигураторе вверху программы в ГАРДИАН ВМ8039 --> Обновить встроенное ПО --> Записать.
- ОБЯЗАТЕЛЬНО ЗАПИШИТЕ ПУСТОЙ ПРОЕКТ в устройство, для чего войдите в Пуск --- Программы --- Masterkit --- BM8039 --- Configurator. Иначе возможно зависание программы при передаче данных!
Начало работы c BM8039 / ВМ8039D
Включение/выключение ОХРАНЫ в режиме ОХРАНА с помощью СМС
- Включите охрану, для чего отправьте СМС с текстом "+++".
- Выключите охрану, для чего отправьте СМС с текстом "---".
- К сожалению, возможность вкл./выкл. охраны периметра с помощью СМС в данном устройстве отсутствует.
Выключение КАНАЛОВ ОХРАНЫ z23 и z24 в режиме ОХРАНА ПЕРИМЕТРА с помощью СМС
- Включите охрану, для чего отправьте СМС с текстом "+++".
- Выключите каналы охраны z23 и z24, для чего отправьте СМС с текстом "z23=0 z24=0". При этом каналы охраны z23 и z24 выключаются.
Выключение КАНАЛОВ ОХРАНЫ z23 и z24 в режиме ОХРАНА ПЕРИМЕТРА с помощью СМС с подтверждением выполнения
- Настройте отчет1 для отправки информации о состоянии каналов охраны z23 и z24, для чего установите галочки на вкладке "Отчеты" в столбике "?1" в строках "Канал охраны 23" и "Канал охраны 24". Запишите настройку в устройство.
- Включите охрану, для чего отправьте СМС с текстом "+++".
- Выключите несколько каналов охраны, для чего отправьте СМС с текстом "z23=0 z24=0 ?1". При этом каналы охраны z23 и z24 выключаются и отправляется СМС о состоянии каналов.
Управление нагрузкой BM8039 / ВМ8039D с помощью СМС
- Пожалуйста, в программе Configurator перейдите на вкладку "Выходы" и в строке "Выход1" в колонке "Используется" выберите "Через GSM".
- Активируйте выход1 (реле1), для чего отправьте смс с текстом "L1=1" (буквы БОЛЬШИЕ) на номер системы (симкарты, установленной в ВМ8039). При этом выход1 (реле1) станет активным (контакты замкнутся, слышен щелчок).
- Пожалуйста, верните выход1 (реле1) в исходное состояние, для чего отправьте смс с текстом "L1=0" (буквы БОЛЬШИЕ). При этом выход1 (реле1) вернется в исходное состояние (контакты разомкнутся, слышен щелчок).
- Пожалуйста, в программе Configurator перейдите на вкладку "Выходы" и в строке "Выход2" в колонке "Используется" выберите "Через GSM".
- Активируйте выход2 (реле2), для чего отправьте смс с текстом "L2=1" (буквы БОЛЬШИЕ) на номер симкарты, установленной в ВМ8039. При этом выход2 (реле2) станет активным (контакты замкнутся).
- Пожалуйста, верните выход2 (реле2) в исходное состояние, для чего отправьте смс с текстом "L2=0" (буквы БОЛЬШИЕ). При этом выход2 (реле2) вернется в исходное состояние (контакты разомкнутся).
- Можно изменить состояние многих выходов в одном смс, для чего отправьте смс с текстом "L1=1 L2=1" (буквы БОЛЬШИЕ) на номер симкарты, установленной в ВМ8039. При этом выход1 и выход2 станут активными (контакты замкнутся).
Устройством также можно управлять с телефона, номер которого не внесен в список "разрешенных". Для этого в любом месте текста управляющего сообщения нужно разместить пароль в виде четырех цифр/латинских/русских букв в дополнение к тексту, например "L1=1 XXXX L2=1".
Причины невозможности управления BM8039 / ВМ8039D с помощью СМС
- Отсутствие на симке денежных средств, достаточных для отправки смс системой. Сколько денег у Вас на симке? Пожалуйста, установите симку системы в мобильный телефон, проверьте "Баланс" и отправьте смс на любой номер для проверки готовности симки к работе в системе.
Подключение сирены к BM8039 / ВМ8039D
Сирену можно подключить двумя способами:
- либо на выход1 "Реле" (при тревоге контакты реле замкнут цепь +12В питания сирены),
- либо на выход3 "уровень +5В" (при тревоге на L3 появится уровень +5В, который включит сирену).
- Для проверки работы сирены, подключите сирену, например, на выход3 (у нас на рисунке на него подключен светодиод последовательно с резистором 1к для индикации включения сирены).
- Замкните контакты вход1 "Кнопка". При этом индикатор "Охрана вкл." мигает в течение 5 секунд (устанолено на вкладке "Каналы охраны" строка1), "Время на вход в помещение". Затем на выход3 "уровень +5В" появляется напряжение +5В, которое включает сирену (зажигает наш светодиод) на время звучания 5 минут (установлено на вкладке "SMS Шаблоны", в строке1).
Если Вы желаете включать охрану с внешней кнопки, пожалуйста, запустите программу MyConfigurator.mkd, перейдите внизу на вкладку "Разное" и снимите галочку напротив "Tuch Memory/IButton на "внешней кнопке"".
При установленном режиме выхода используется "Через GSM" на вкладке "Выходы" Конфигуратора мы имеем режим работы, :
- Дверь открыта - сирена звучит и сирену нельзя выключить кнопкой "Охрана вкл./выкл."
 - Дверь закрыта - сирена молчит.
 
Для того, чтобы после открытия двери можно было выключить сирену кнопкой "Охрана вкл./выкл." предусмотрен режим выхода используется "Сиреной".
При установленном режиме выхода используется "Сиреной" на вкладке "Выходы" Конфигуратора мы имеем режим работы, :
- Дверь открыта - сирена звучит и сирену можно выключить кнопкой "Охрана вкл./выкл."
 - Дверь закрыта - сирена молчит.
 
Добавление 4 дополнительных реле к BM8039 / ВМ8039D
ВМ8039 имеет на борту 2 реле и может управлять по GSM двумя розетками питания ~220 В. Они показаны на рисунке выше. Для управления еще 4-мя розетками питания ~220 В по GSM, необходимо добавить к выходам 3...6 (показаны в файле на рисунке выше) ВМ8039 четыре реле, управляемых транзисторными ключами, например, NM4411 (4 реле), МК330 (4 реле), МР701 (4 реле), ВМ146 (1 реле), МР304 (1 реле).
Подключение электронного ключа (таблетки) iButton к BM8039 / ВМ8039D
- Убедитесь, что электронный ключ (таблетка), которую Вы пытаетесь подключить к устройству, на самом деле является стандартом "iButton". Это легко определить по имеющимся надписям "iButton", "1-Wire" и нанесенному серийному номеру на его корпусе.
- Убедитесь, что установлена галочка (отмечено) рядом с "Touch Memory/iButton на "внешней кнопке" на вкладке "Разное" в программе "MyConfigurator.mkd".
- Подключите (зачистите провод из разъема и припаяйте к нему) считыватель iButton к входам "key" и "COM" на главном (большом) разъеме ВМ8039. При этом средний контакт считывателя соединяется с "key", а внешний контакт считывателя соединяется с "COM".
- В программе "MyConfigurator.mkd" перейдите на вкладку "1-Wire".
- Во вкладке "1-Wire" перейдите на вкладку вверху "Канал 1-Wire №3 (вн. кнопка)".
- Добавьте ключ (таблетку) iButton в память ВМ8039, для чего приложите ключ (таблетку) iButton к считывателю и одновременно с этим нажмите кнопку "Добавить" в программе. Теперь ключ (таблетка) iButton добавлена в память ВМ8039. Если на вкладке "1-Wire" Вы не видите кнопки "Добавить", пожалуйста, растяните экран вправо для ее появления в поле видимости.
Подключение датчиков движения к BM8039 / ВМ8039D
- К данному устройству можно подключить любой датчик движения, например, Рапид вар. 1 или MA802
Подключение цифровых датчиков температуры Dallas к BM8039 / ВМ8039D
- Подключите цифровой датчик температуры Dallas к устройству на расстоянии 0...100 м., при этом:
- Вывод справа на датчике соответствует ПИТАНИЕ +5В, соедините с VCC на дополнительном (малом) разъеме.
- Вывод слева на датчике - ОБЩИЙ провод, соедините с COM на дополнительном (малом) разъеме.
- Посередине - ДАННЫЕ, соедините с 1W1 на дополнительном (малом) разъеме.
- Перейдите на вкладку "1-Wire" в программе Configurator, при этом видна кнопка "Обнаружение" (если она не видна, пожалуйста, перетащите мышкой край внутреннего окна во весь экран).
- Нажмите кнопку "Обнаружение", при этом во вкладках "Канал 1Wire №1" и "Канал 1Wire №2" появляются серийные номера подключенных датчиков Dallas.
- Запомните, под каким номером появился датчик (например, первая строка на вкладке "Канал 1Wire №1" соответствует датчику Т1.01, вторая строка на вкладке "Канал 1Wire №1" соответствует датчику Т1.02 и т.д., первая строка на вкладке "Канал 1Wire №2" соответствует датчику Т2.01, вторая строка на вкладке "Канал 1Wire №2" соответствует датчику Т2.02 и т.д.).
- Перейдите на вкладку "Выходы" в программе Configurator и заполните строку для соответствующего выхода устройства, при этом укажите тот номер датчика Dallas, который Вы запомнили в предыдущем пункте.
 
Автономный режим работы BM8039 / ВМ8039D
Для обеспечения работы ВМ8039 в автономном режиме при пропадании основного питания, пожалуйста, используйте блок питания PW1240UPS и аккумуляторную батарею с емкостью, необходимой для желаемого времени автономной работы, например, 12В/1А=1000мА/50мА=20 часов.
Подключение микрофона к BM8039 / ВМ8039D
В качестве микрофона рекомендуется использовать HMO1003A-65 Микрофон конденсаторный электретный либо микрофон из гарнитуры любого сотового телефона. Подключите красный положительный провод микрофона к контакту17 (МК+), а черный отрицательный - к контакту19 (МК-) на дополнительном (малом) разъеме IDC-20 BM8039 / ВМ8039D. При этом в программе Конфигуратор на вкладке "Разное" установите "Усиление микрофона" значение +22.5 dB.
 
Подключение датчиков дыма к BM8039 / ВМ8039D
- К данному устройству можно подключить датчики дыма серии ИП212-хх или любые аналогичные для сообщения о задымлении помещения, например, ИП212-90 - Извещатель пожарный дымовой оптико-электронный с подтверждением исправности "Один дома-2"
Настройка BM8039_BM8039S_atz1_smoke.mkd системы охраны для подключения двух датчиков дыма на вход 6 BM8039 согласно фото ниже.
Фото подключений BM8039S - два датчика дыма с устройством согласования на вход 6 в режиме ATZ1
 
Настройка BM8039_BM8069D_smoke.mkd системы охраны для подключения двух датчиков дыма на вход 6 BM8039 согласно фото ниже.
Фото подключений BM8069D - Устройство расширения входов/выходов на вход 6 в режиме "На линии появился ноль". Максимальное количество подключаемых датчиков дыма - неограниченно. При этом система следит за целостстностью линии датчиков дыма и МА802 к ВМ8039(D)
 
Руководство по эксплуатации датчика дыма ИП 212-90 во вложении.
Вы также можете подключить датчики дыма с помощью схемы согласования датчиков дыма на двух транзисторах
 
- Ввиду того, что устройство имеет большие возможности по настройке режимов работы, мы приводим пошаговые инструкции по работе с устройством в виде конкретных задач, для каждой из которых мы предлагаем готовый файл конфигурации.
Настройка1: "На входной двери установлен геркон. Шлейф подключен на вход линии охраны1. При открытии двери выход1 активен пока дверь открыта. При закрытии двери выход1 в исходном пока дверь закрыта"
Пожалуйста, убедитесь, что у Вас на ПК установлена программа Конфигуратор свежей версии. Если версия Вашего Конфигуратора ниже свежей, скачайте программу Конфигуратор свежей версии выше.
Данные настройки находятся в файле BM8039_door_open-rele1_active.mkd
Настройка 1: "На входной двери установлен геркон, подключен на вход1 канала охраны1. При открытии двери выход1 активен пока дверь открыта. При закрытии двери выход1 в исходном пока дверь закрыта" файл во вложении.
- На вкладке "Разное": - Назначьте номер хозяина системы, для чего в строке1 таблицы слева измените номер мобильного телефона на Ваш (сначала 007...)
 
- Убедитесь, что установлена галочка рядом со строкой "Входить в охрану несмотря на состояние датчиков" на вкладке "Разное" в конфигураторе на ПК.
- Установите USSD формат запроса баланса "*..........#" (начинается звездочкой и заканчивается решеткой) для Вашего оператора справа в поле "Формат запроса баланса" в виде, например, для МТС "*100#" (если Ваш оператор не поддерживает USSD формат запроса баланса "*..........#", то получение текущего баланса невозможно. В таком случае придется сменить оператора связи).
- Установите настройки в соответствии с этими
 
В Конфигураторе на вкладке "Разное" назначаются хозяева системы, реакция при пропадании и последующем появлении основного питания, время на выход из помещения после включения охраны.
- Назначьте номер хозяина системы в таблице слева.
- Назначьте реакцию системы на входящий звонок:
- присылать СМС с информацией о состоянии системы (если Вы желаете при этом узнать остаток на счете СИМ карты системы - установите галку ниже напротив надписи "Баланс в стандартном отчете "?").
- включать микрофон для прослушивания помещения,
- отбивать "Занято".
- При пропадании и последующем появлении основного питания системы разрешите:
- Восстанавливать состояние выходов GSM сразу после появления питания;
- Входить в режим охраны сразу после появления питания;
- Сохранять в eeprom (во внутренней памяти) изменения типа выхода.
- Установите значение времени выхода из помещения при включении охраны напротив надписи "Таймаут на выход при установке, с", например, 5.
- На вкладке "Каналы охраны" установите настройки в соответствии с этими
 
 
- На вкладке "Выходы" установите настройки в соответствии с этими
 
 
- На вкладке "SMS Шаблоны" установите настройки в соответствии с этими.
 
При этом:
слева от колонки "SMS/Звонок" настраивается событие охраны
справа от колонки "SMS/Звонок" настраивается реакция на событие охраны
При этом выход управляется:
галка + время нуль = выход выключить навсегда
галка + время более нуля = выход включить на это время
галка + время 18:12:15 = выход включить навсегда
 
Настройка режима завершена.
- Запишите Ваши измененные данные в устройство, для чего войдите вверху программы в ГАРДИАН ВМ8039 --- Записать данные в блок.
- Отсоедините устройство от ПК. (питание +12В подключено).
- Нажмите кнопку "Охрана вкл." на корпусе устройства. При этом Вам дается "Время на выход из помещения" в течение 5 секунд (устанолено на вкладке "Разное" - "Таймаут на выход при установке") при котором индикатор "Охрана вкл." мигает. После этого идикатор "Охрана вкл." светит постоянно (индикатор "Сеть GSM есть" мигает каждые три секунды).
Проверка работы
- Разорвите линию на входе1. При этом через 5 секунд выход1 станет активным, что подтверждает щелчок реле.
- Восстановите линию на входе1. При этом через 5 секунд выход1 вернется в исходное состояние, что подтверждает щелчок реле.
- Проверка работы завершена.
Настройка2: "Выход3 включить на 3 сек., затем выключить на 2 сек. и т.д."
Пожалуйста, убедитесь, что у Вас на ПК установлена программа Конфигуратор свежей версии. Если версия Вашего Конфигуратора ниже свежей, скачайте программу Конфигуратор свежей версии выше.
Данные настройки находятся в файле BM8039_impuls.mkd
Настройка2: "Выход3 включить на 3 сек., затем выключить на 2 сек. и т.д."
- На вкладке "Разное": - Измените номер хозяина системы, для чего в строке1 слева измените номер мобильного телефона на Ваш (сначала 007...)
 
- Убедитесь, что установлена галочка рядом со строкой "Входить в охрану несмотря на состояние датчиков" на вкладке "Разное" в конфигураторе на ПК.
- Установите USSD формат запроса баланса "*..........#" (начинается звездочкой и заканчивается решеткой) для Вашего оператора справа в поле "Формат запроса баланса" в виде, например, для МТС "*100#" (если Ваш оператор не поддерживает USSD формат запроса баланса "*..........#", то получение текущего баланса невозможно. В таком случае придется сменить оператора связи).
- Установите настройки в соответствии с этими
 
- Для данного режима каналы охраны не используются, поэтому их можно не назначать.
 
На вкладке "Каналы охраны" установите настройки в соответствии с этими
 
- На вкладке "Выходы" установите настройки в соответствии с этими
 
 
- На вкладке "SMS Шаблоны" установите настройки в соответствии с этими.
 
При этом:
слева от колонки "SMS/Звонок" настраивается событие охраны
справа от колонки "SMS/Звонок" настраивается реакция на событие охраны
При этом выход управляется:
галка + время нуль = выход выключить навсегда
галка + время более нуля = выход включить на это время
галка + время 18:12:15 = выход включить навсегда
Настройка режима завершена.
- Запишите Ваши измененные данные в устройство, для чего войдите вверху программы в ГАРДИАН ВМ8039 --- Записать данные в блок.
- Отсоедините устройство от ПК. (питание +12В подключено).
Проверка работы
- Подключите красный светодиод последовательно с резистором 1к к выходу3. При этом он светит 3. сек и погашен 2 сек. и т.д., что подтверждает правильность настройки.
- Проверка работы завершена.
Настройка3: "Подключить к устройству резервный источник питания. Прислать СМС только в случае пропадания основного питания более чем на одну минуту."
Пожалуйста, убедитесь, что у Вас на ПК установлена программа Конфигуратор свежей версии. Если версия Вашего Конфигуратора ниже свежей, скачайте программу Конфигуратор свежей версии выше.
Данные настройки находятся в файле тут
Настройка3: "Подключить к устройству резервный источник питания. Прислать СМС только в случае пропадания основного питания более чем на одну минуту."
- На вкладке "Разное": - Измените номер хозяина системы, для чего в строке1 слева измените номер мобильного телефона на Ваш (сначала 007...)
 
- Убедитесь, что установлена галочка рядом со строкой "Входить в охрану несмотря на состояние датчиков" на вкладке "Разное" в конфигураторе на ПК.
- Установите USSD формат запроса баланса "*..........#" (начинается звездочкой и заканчивается решеткой) для Вашего оператора справа в поле "Формат запроса баланса" в виде, например, для МТС "*100#" (если Ваш оператор не поддерживает USSD формат запроса баланса "*..........#", то получение текущего баланса невозможно. В таком случае придется сменить оператора связи).
Наличие основного питания означает наличие +5В на входе1. Для этого установите настройки согласно тут
 
- Установите настройки в соответствии с этими тут
 
- В нашем случае СМС будет отправлено только в том случае, когда выход 6 перестанет быть активным в течение 1 минуты.
- Как становится понятно из рисунка, для реализации такой возможности мы использовали выход 6 в качестве таймера для отсчета времени в одну минуту.
- При этом при пропадании основного питания на входе1 перестанет быть единица, при этом выход 6 станет активен (первая задача/строка) на время 1 минуту..
- Если основное питание появится ранее, чем 1 минута, то выход 6 станет активным навсегда (третья задача/строка), что гарантирует неотправку СМС о пропадании питания менее 1 минуты.
- Если основное питание появится позднее, чем 1 минута, то выход 6 перестанет быть активным, при этом отправляется СМС о пропадании питания.
Настройка4: "На входной двери установлен геркон и на окне установлен геркон. Шлейф подключен на вход линии охраны в режиме ATZ1.
При открытии двери выходы 1,3 активны пока дверь открыта. При закрытии двери выходы 1,3 в исходном пока дверь закрыта.
При открытии окна выходы 2,4 активны пока окно открыто. При закрытии окна выходы 2,4 в исходном пока окно закрыто"
При обрыве шлейфа выход 5 активен пока шлейф оборван. При восстановлении шлейфа выход 5 в исходном пока шлейф в норме".
Пожалуйста, убедитесь, что у Вас на ПК установлена программа Конфигуратор свежей версии. Еси версия Вашего Конфигуратора ниже свежей, скачайте программу Конфигуратор свежей версии выше.
Данные настройки находятся в файле BM8039_atz1.mkd
Настройка4: "На входной двери установлен геркон и на окне установлен геркон. Шлейф подключен на вход линии охраны8 в режиме ATZ1. При открытии двери выходы 1,3 активны пока дверь открыта. При закрытии двери выходы 1,3 в исходном пока дверь закрыта. При открытии окна выходы 2,4 активны пока дверь открыта. При закрытии окна выходы 2,4 в исходном пока дверь закрыта". При обрыве шлейфа выход 5 активен пока шлейф оборван. При восстановлении шлейфа выход 5 в исходном пока шлейф в норме".
- На вкладке "Разное":
 
- Измените номер хозяина системы, для чего в строке1 слева измените номер мобильного телефона на Ваш (сначала 007...)
- Убедитесь, что установлена галочка рядом со строкой "Входить в охрану несмотря на состояние датчиков" на вкладке "Разное" в конфигураторе на ПК.
- Установите USSD формат запроса баланса "*..........#" (начинается звездочкой и заканчивается решеткой) для Вашего оператора справа в поле "Формат запроса баланса" в виде, например, для МТС "*100#" (если Ваш оператор не поддерживает USSD формат запроса баланса "*..........#", то получение текущего баланса невозможно. В таком случае придется сменить оператора связи).
- Установите настройки в соответствии с этими
 
- Для нашей задачи планируется использовать три выхода:
 
- выход1 реле
- выход2 реле
- выход3 - подключен светодиод согласно Фото подключений выше.
Поэтому на вкладке "Выходы" установите режим использования выходов:
выход1 - используется "Через GSM";
выход2 - используется "Через GSM";
выход3 - используется "Через GSM".
 
- Для понимания сути ATZ1-режима определим некоторые термины, используемые в дальнейшем:
 
Шлейф - линия подключения одного/нескольких датчиков.
Охранная зона - один/несколько датчиков на шлейфе.
Канал охраны = Охранная зона - один/несколько датчиков на шлейфе.
ATZ1-режим - подключение охранных зон не напрямую к 8 входам, а параллельно резисторам 2,2 кОм и 1 кОм, которые соединены последовательно в шлейфе, подключаемом напрямую к 8 входам. При этом мы получаем вместо одной охранной зоны сразу три:
- охранная зона параллельно резистору 2,2 кОм;
- охранная зона параллельно резистору 1 кОм;
- охранная зона нарушение линии (обрыв шлейфа).
Теперь нам становится понятно, что без резисторов 2,2 кОм, 1 кОм, 1 кОм в шлейфе мы имеем только 8 охранных зон - по одной на каждом входе.
При установке резисторов 2,2 кОм, 1 кОм, 1 кОм последовательно в шлейф мы получаем 24 охранных зоны/канала - по три на каждом входе:
- на входе1 - зона1, зона2, зона3;
- на входе2 - зона4, зона5, зона6;
- на входе3 - зона7, зона8, зона9;
- на входе4 - зона10, зона11, зона12;
- на входе5 - зона13, зона14, зона15;
- на входе6 - зона16, зона17, зона18;
- на входе7 - зона19, зона20, зона21;
- на входе8 - зона22, зона23, зона24;
В программе Конфигуратор охранная зона названа "Канал", поэтому для нашей задачи на вкладке "Каналы охраны" установим режим работы каждого канала охраны.
 
- На вкладке "SMS Шаблоны" установите:
 
- номер телефона для отсылки СМС сообщения;
- реакцию каждого канала на событие охраны
- текст отправленного СМС сообщения;
При этом:
слева от колонки "SMS/Звонок" настраивается событие охраны
справа от колонки "SMS/Звонок" настраивается реакция на событие охраны
При этом выход управляется:
галка + время нуль = выход выключить навсегда
галка + время более нуля = выход включить на это время
галка + время 18:12:15 = выход включить навсегда
 
Настройка режима завершена.
- Запишите Ваши измененные данные в устройство, для чего войдите вверху программы в ГАРДИАН ВМ8039 --- Записать данные в блок.
- Отсоедините устройство от ПК. (питание +12В подключено).
- Нажмите кнопку "Охрана вкл." на корпусе устройства. При этом Вам дается "Время на выход из помещения" в течение 5 секунд (устанолено на вкладке "Разное" - "Таймаут на выход при установке") при котором индикатор "Охрана вкл." мигает. После этого идикатор "Охрана вкл." светит постоянно (индикатор "Сеть GSM есть" мигает каждые три секунды).
Проверка работы
- Разорвите линию охранной зоны22. При этом через 5 секунд выходы 1,3 станут активными, что подтверждает щелчок реле на выходе1 и светит светодиод на выходе3
- Восстановите линию охранной зоны 22. При этом через 5 секунд выходы 1,3 вернутся в исходное состояние, что подтверждает щелчок реле выхода1 и погас светодиод на выходе3.
- Проверка работы завершена.
Настройка5: "Работа с датчиком движения МА802":
МА802 подключить на вход3. При обнаружении движения - позвонить на телефон хозяина
Пожалуйста, убедитесь, что у Вас на ПК установлена программа Конфигуратор свежей версии. Если версия Вашего Конфигуратора ниже свежей, скачайте программу Конфигуратор свежей версии выше.
Данные настройки находятся в файле BM8039_BM8069D_move_smoke.mkd
Настройка5: "Работа с датчиком движения МА802": МА802 подключить на вход3. При обнаружении движения - позвонить на телефон хозяина
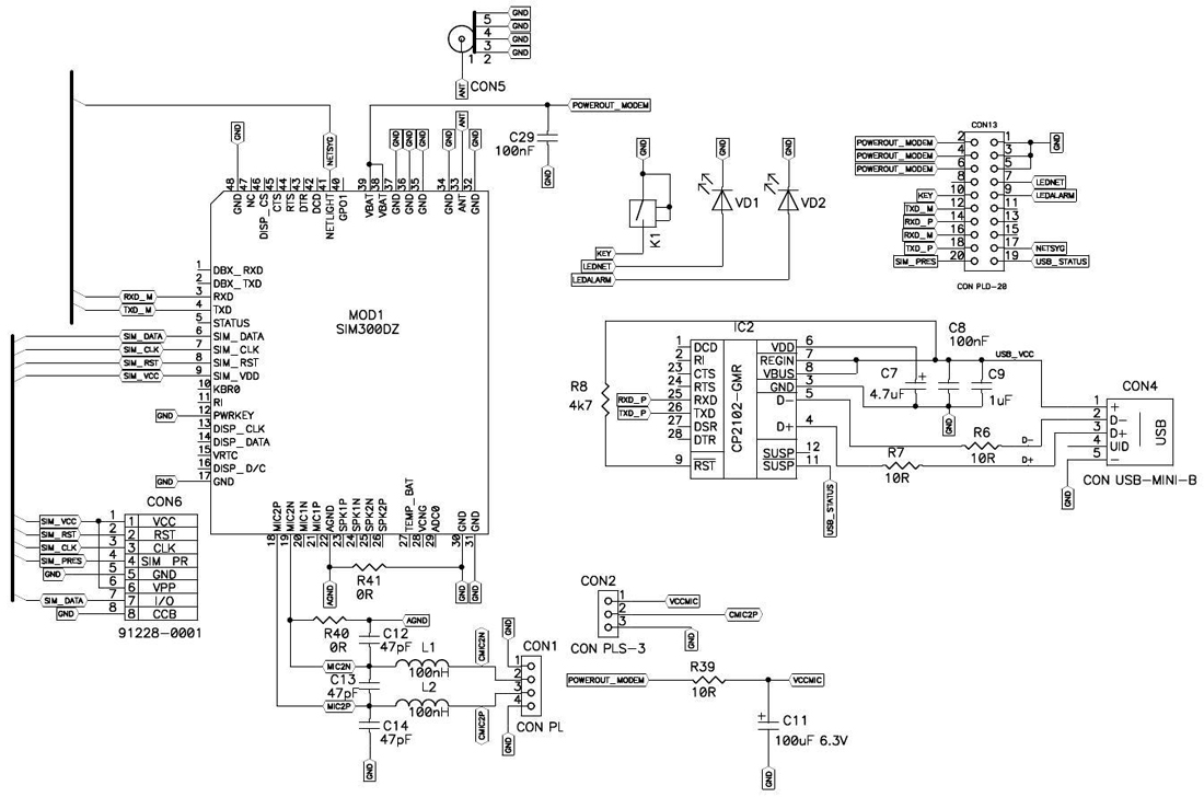
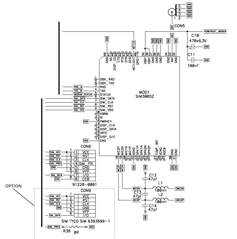
Схема электрическая принципиальная BM8039D, схема питания
 
Схема электрическая принципиальная BM8039D, контроллер
 
Схема электрическая принципиальная BM8039D, GSM модем
 
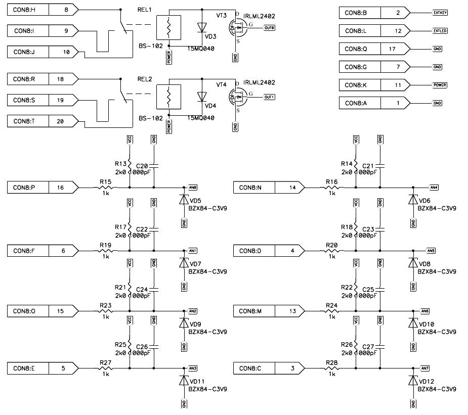
Схема электрическая принципиальная BM8039D, входы, выходы
 
Схема электрическая принципиальная BM8039, схема питания
 
Схема электрическая принципиальная BM8039, контроллер
 
Схема электрическая принципиальная BM8039, GSM модем
 
Схема электрическая принципиальная BM8039, входы, выходы
 
Часто задаваемые вопросы по BM8039 / ВМ8039D
- Вставил симку, соединил антенну, подал питание +12В. При этом постоянно перемигиваются оба индикатора. В чем причина?
Причины неопределения сети GSM
(постоянное перемигивание обоих индикаторов)
- Использование СИМ-карты, которая защищена PIN-кодом. В этом случае, пожалуйста, снимите защиту СИМ-карты PIN-кодом на любом мобильном телефоне и совместно с устройством используйте СИМ-карту, которая НЕ ЗАЩИЩЕНА PIN-кодом.
- Отсутствие контакта внутри антенного разъема. Причиной этого является недостаточный размер отверстия для соединения антенны в корпусе устройства. Пожалуйста, проверьте работу BM8039 / ВМ8039D без корпуса. При этом установите СИМ карту, плотно соедините разъем антенны и подключите питание.
Если у Вас антенный разъем закручивается не до конца разъема, пожалуйста, снимите крышку снизу устройства, для чего отвинтите в ней четыре шурупа. Отделите плату от корпуса и расширьте антенное отверстие надфилем так, чтобы гайка антенного разъема свободно входила в него. Установите плату устройства в корпус и закройте снизу крышкой.
- Отсутствие контакта в соединении платы модуля GSM (под металлическим квадратным экраном) с платой устройства. В этом случае, пожалуйста, снимите крышку снизу устройства, для чего отвинтите в ней четыре шурупа, отделите плату от корпуса и внимательно посмотрите на качество пайки соединений платы GSM (под металлическим квадратным экраном) с платой устройства.
- Обрыв или закоротка между центральным контактом и корпусом в антенном разъеме на плате. Для проверки, пожалуйста, определите тестером сопротивление "Центральный контакт - общий провод" в антенном разъеме на плате, которое составляет 1 Ом. Если это сопротивление равно нулю или бесконечности - примите меры для устранения проблемы.
Плата GSM установлена на краю и, поэтому, возможны непропаи контактов по ее периметру. Особенно внимательно посмотрите на контакт33 (второй от антенного раъема) - вход антенны в GSM модуль. Пожалуйста, убедитесь в наличии контакта в линии антенна - модуль GSM, для чего прозвоните линию "антенна - контакт33" тестером. Установите плату в корпус и закройте снизу крышкой.
- Собрался настроить BM8039D, но нигде не нашел упоминаемый в описании установочный файл setup8039.exe (в комплекте его не было). На сайте по первой ссылке файл имеет не то расширение. Название файла также не соответствует приведенному в инструкции. Как установить программу настройки Конфигуратор на ПК?
- Для установки Конфигуратора на ПК, пожалуйста, выполните следующие действия:
- Отключите антивирус (если он блокирует скачивание файла bm8039v107i.exe).
- Скачайте файл bm8039v107i.exe (Программа Конфигуратор версии 1.07i.)
- Запустите на ПК bm8039v107i.exe. При этом на ПК установится ПО для работы с ВМ8039/ВМ8039D.
- Запустите программу настройки Конфигуратор, для чего войдите в Пуск --- Программы --- Masterkit --- BM8039 --- Configurator.
- Включите антивирус.
- Можно ли подключать пожарные датчики ИПД-3.1М?
- Да, можно использовать, только если подключать их через схему согласования или через BM8069D (через него подключаются до 4 датчиков – по 2 на шлейф, можно и больше, но надо пробовать как будет работать)
- Можно ли подключать объемные датчики Сокол-2?
- Да, можно. Сокол-2 работает аналогично геркону (размыкание-тревога).
- Сколько пожарных датчиков можно подключить с помощью двух проводов через ВМ8039S?
- Через ВМ8039S с помощью двух проводов можно подключить только два пожарных датчика, т.к. при этом вход системы настроен на конроль сопротивления линии в режиме ATZ1 (при этом определяются состояния ДЫМ1, ДЫМ2, ЛИНИЯ НЕ ОК).
- Сколько пожарных датчиков можно подключить с помощью двух проводов через ВМ8069D?
- Через ВМ8069D двух проводов можно подключить неограниченное количество пожарных датчиков (при этом определяется только состояние ДЫМ ЛЮБОЙ и не контролируется нарушение линии)
- Сколько пожарных датчиков можно подключить с помощью трех проводов через ВМ8069D?
- Через ВМ8069D трех проводов можно подключить неограниченное количество пожарных датчиков (при этом определяется состояние ДЫМ ЛЮБОЙ, ЛИНИЯ НЕ ОК )
- Сколько объемных датчиков можно подключить?
- Объемных датчиков можно подключить неограниченное количество (аналогично герконам).
- Можно ли подключить АКБ +12В/60А?
- Для обеспечения автономной работы системы, пожалуйста, используйте BM8079D Источник бесперебойного питания 12В/0,4А, к которому можно подключить АКБ любой емкости, в том числе и +12В/60А.
- Какие реле можно использовать для нагрузок 1...3 кВт?
- При использовании +12V для питания внешнего реле можно использовать TRY-12VDC-P-4C Реле электромеханическое +12В/20А. При использовании ~220V для питания внешнего реле можно использовать TRY-220VAC-P-4C Реле электромеханическое ~220В/20А.
- Сигнал какого уровня и в каких случаях появляется на выходе SOUND?
- Режимы работы выхода SOUND:
1- Пассивная сирена (которая не имеет встроенного генератора, которой не требуется питание). При этом выход SOUND является аналогом линейного выхода предусилителя и с него сигнал уровня 0...3В (низкоомные динамики напрямую не подключать! во избежание повреждения выходного порта контроллера) подается на любой усилитель мощности, например, BM2043, к выходу которого подключается мощный динамик или мощная пассивная сирена.
Для подключения активной сирены (которая имеет встроенный генератор, которой требуется питание 12В) рекомендуется использовать реле на выходе1 и выходе2.
2 - Сигнализатор состояния. При этом с выхода SOUND сигнал уровня 0...3В (низкоомные динамики напрямую не подключать! во избежание повреждения выходного порта контроллера) напрямую поступает на высокоомный динамик на 50-100 Ом, который дублирует световой индикатор охраны на корпусе устройства:
- Звук непрерывный - ТРЕВОГА
- Звук редкий 1 раз в секунду - идет отсчет "ВРЕМЯ НА ВЫХОД" из помещения
- Звук частый 2 раз в секунду - идет отсчет "ВРЕМЯ НА ВХОД" в помещение.
Звуковой сигнал удобно использовать для того, чтобы не забыть выключить охрану при входе в помещение.
- Можно ли использовать ВМ8039 / ВМ8039D для охраны 2 (двух) гаражей?
- Да, ВМ8039 / ВМ8039D можно использовать для охраны 16 (шестнадцати) гаражей с помощью 8 (восьми) входов, настроенных в режим ATZ1 с контролем нарушения каждой линии.
- Не работает функция переключения температурных границ по GSM. Например, отправляем смс МODESETL1=T=30:35. Нет никакой реакции. Температура как переключалась 25:26, как задано в Конфигураторе, так и переключается. Другие команды например MODESETL1=g работают. В чем проблема?
- Для изменения порогов удержания температуры с помощью СМС система должна сохранить новые значения порогов в своей памяти. Для этого, пожалуйста, в Конфигураторе на вкладке "Разное" установите галочку напротив "Сохранять в eeprom" (во внутренней памяти) изменения типа выхода.
- В Конфигураторе на вкладке "Выходы" установил используется "Через GSM", отправляю СМС с текстом "L2=1" с телефона хозяина, но выход2 по GSM не переключается и реле не щелкает. В чем проблема?
- Для переключения состояния выхода с помощью СМС система должна сохранить значение состояния выхода в своей памяти. Для этого, пожалуйста, в Конфигураторе на вкладке "Разное" установите галочку напротив "Сохранять в eeprom" (во внутренней памяти) изменения типа выхода.
- Можно ли загрузить свою прошивку .hex в ВМ8039?
- Да, это можно сделать с помощью Конфигуратора, который предназначен для загрузки прошивок в ВМ8039. Конфигуратор загружает только файлы .cod, поэтому, пожалуйста, сначала перекодируйте Ваш файл .hex в файл .cod, пригодный для загрузки в ВМ8039, для чего:
- Переименуйте Ваш файл my.hex в my_ВМ8039.hex.
- Отправьте Ваш переименованный файл my_ВМ8039.hex по электронной почте на адрес BM8036@yandex.ru .
- Получите в ответ Ваш перекодированный файл my_ВМ8039.cod.
- Згрузите полученный файл my_ВМ8039.cod в ВМ8039 с помощью Конфигуратора, для чего:
- Войдите в Конфигураторе вверху программы в ГАРДИАН ВМ8039 --> Обновить встроенное ПО
- Выберите Ваш перекодированный файл my_BM8039.cod
- Нажмите в Конфигураторе "Записать".
- Если Вы пожелаете вернуться к использованию стандартной прошивки ВМ8039 - это можно сделать с помощью Конфигуратора.
- Вставил симку, соединил антенну, подал питание +12В, соединил с ПК, оба индикатора не светят. При этом ОС ПК сообщает всплывающим окном "Устройство не опознано". В Диспетчере устройств ПК ВМ8039 как Silicon Labs CP210x USB to UART Bridge не появляется. Что можно сделать?
- Возможная причина - отсутствие контактов с печатной платой ножек ИС СР2102 (переход интерфейса USB - UART) возле разъема miniUSB. Пожалуйста, прогрейте ИССР2102 с помощью фена паяльной станции до расплавления припоя под ней и слегка прижмите ее сверху для образования надежных контактов ножек ИС с печатной платой.
- Подключил датчики дыма к ВМ8039D через ВМ8039S. Как проверить работоспособность датчиков дыма?
- После подключения датчиков дыма к ВМ8039S, пожалуйста, установите крышку каждого датчика дыма на прежнее место.
Проверьте работоспособность датчика дыма, для чего нажмите и длительно удерживайте в течение 10 секунд кнопку в центре датчика дыма до появления свечения индикатора красным - это является подтверждением активации датчика дыма (задымление есть).
Установите состояние датчика дыма в исходное состояние, для чего:
- Снимите крышку датчика дыма.
- Установите крышку датчика дыма на прежнее место. При этом индикатор датчика дыма мерцает один раз в 10 секунд, что подтверждает его рабочий режим.
- У меня BM8039, который имеет круглый разъем питания +12В, а выход BM8079D - клемные контакты под отвертку. Как можно выход питания +12В BM8079D подключить на вход питания +12В BM8039?
- Пожалуйста, для подключения питания +12В с выхода BM8079D на вход питания +12В BM8039 используйте красный верхний крайний правый (+12В) провод и черный нижний крайний правый (общий) провод на основном (большом) разъеме ВМ8039 согласно рисунка в инструкции пользователя. Для этого следует удлинить провод от основного разъема ВМ8039 до клемной колодки BM8079D.
- Как изменить сервисный номер для запроса баланса на СИМ карте в BM8039 / ВМ8039D?
- Каждый оператор имеет свой номер для запроса баланса, поэтому только в случае замены СИМ карты другого опратора требуется изменить номер запроса баланса в Конфигураторе на вкладке "Разное".
- При подключении ВМ8039 по невнимательности допустил переполюсовку питания. Теперь при правильном подключении питания индикаторы не светят и щелкают внутренние реле. Что делать?
- В таком случае:
- Проверьте исправность защитного диода VD1 на входе схемы питания устройства. Если он короткозамкнут - удалите его.
- Проверьте наличие +3,3 В после стабилизатора LM2576.
- Приходят пустые СМС. Что делать?
- Возможная причина - настроена отправка периодических отчетов. В таком случае:
- Удалите в Конфигураторе на вкладке "Отчеты" установленные галочки в нижних строках последних столбцов (для их обнаружения используйте полосы прокрутки по горизонтали и вертикали) согласно фото ниже.
 
- Подключил ВМ8039 / ВМ8039D согласно инструкции. Работает нормально, но часто "глючит". Что может быть?
- Возможная причина - недостаточная мощность (сила тока) источника питания, так как при передаче сигнала модем потрбляет существенно и мощности китайского импульсного адаптера становится недостаточно. Пожалуйста, проверьте работу ВМ8039 / ВМ8039D с другим источником питания или от АКБ +12 В NT800 или ACC_12V_1.3Ah_DJW12-1.3
- Я переключил режим работы выхода1 ВМ8039 / ВМ8039D в режим термостата с установленным гистерезисом, для чего отослал СМС с текстом MODESETL1=T= 22.5:27.5 (без пробелов). От какого термодатчика при этом будет осуществляться термостатирование и управление выходом1 (т. к. в СМС не указан номер термодатчика)?
- При этом выход1 будет управляться от термодатчика, указанном в Конфигураторе во вкладке "Выходы" в колонке "Датчик" в строке выхода (по-умолчанию для работы термостата назначен термодатчик "Т1.01").
- Предварительно зарегистрировав ключи Touch Memory и присвоив каждому ключу имя (или порядковый номер) и выдав их нескольким сотрудникам, можно ли настроить ВМ8039 / ВМ8039D так, чтобы при постановке и снятии с охраны ключем Touch Memory на мобильный телефон "Руководителя" приходило SMS-сообщение с информацией о том, кто снял объект с охраны или поставил объект на охрану?
- Да, конечно.
- Подключил к устройству термодатчик на расстоянии 5 метров - работает нормально. Затем подключил его на расстоянии 40 метров - устройство его не видит! Но ведь заявлено расстояние до последнего термодатчика 100 метров по витой паре 5 категории. Но у меня растояние 40 метров! При этом хоть ВИТАЯ, хоть НЕ ВИТАЯ ПАРА, но устройство не видит термодатчик! Что можно сделать?
Цифровые датчики температуры DS18B20 имеют возможность подключения их в шину (параллельно друг другу). Каждый датчик имеет уникальный серийный номер, присвоенный ему на заводе при изготовлении. Это позволяет адресно обращаться к каждому датчику независимо от его физического расположения на шине. Совместно с устройством можно использовать как DS18B20 так и DS18S20, DS1822, DS1820 (при уменьшении точности до +-2 градусов). Термодатчики «привязываются» к определенным нагрузкам программно. Расстояние до последнего термодатчика на линии составляет до 100 м. Если длина линии составляет более 10 метров, следует использовать подключение термодатчиков по ТРЕХПРОВОДНОЙ схеме (используя три провода). Рекомендуемый кабель – витая пара 5-й категории CAT5 (полоса частот 100 МГц) - четырехпарный кабель для прокладки локальных сетей и телефонных линий (поддерживает скорость передачи данных до 100 Мбит/с) - восемь линий, которые скручены попарно (витая пара) - четыре витых пары. Для каждого сигнала используйте отдельную витую пару, оба провода которой замкните между собой. Итого: из четырех витых пар: одна пара соединяется с VCC (питание), одна пара - с DQ (данные), одна пара - с GND (общий). Всего используется 3 витых пары из четырех.
Требования к подключению цифровых термодатчиков:
- Линия должна иметь одно начало и один конец При этом отсутствуют несколько "концов" (НЕ ЗВЕЗДА!).
- В начале линии установлен контроллер.
- На конце линии установлен последний термодатчик, расстояние до которого составляе до 100 метров;
- Между ними - промежуточные термодатчики.
- При подключении цифровых термодатчиков на расстоянии от контроллера более 10 метров заначительное влияние на их работу оказывает увеличение сопротивления и паразитной ёмкости линии. Цифровым термодатчикам для их правильной работы на длинной линии банально не хватает напряжения питания! В таком случае выполните следующие действия:
- Известно, что цифровые термодатчики не любят разъемы (в которых часто имеется ненадежный контакт), поэтому, пожалуйста, все соединения цифровых темродатчиков выполните с помощью пайки!
 - Увеличьте поддтяжку линии данных DQ (данные) к VCC (питание), для чего установите в конце линиии на последнем термодатчике между DQ (данные) и VСС (питание) резистор номиналом R = 150 Ом.
 - Установите на последнем термодатчике электролитический С = 47 мкФ между VСС (питание) и GND (общий).
 - Установите на последнем термодатчике керамический С = 1 мкФ между VСС (питание) и GND (общий).
 - Установите в начале линии электролитический С = 47 мкФ между VСС (питание) и GND (общий) со стороны контроллера.
 - Замените кабель САТ5 (витая пара 5-й категории) на кабель с медными проводниками сечением 0,5 и более мм2, например, МКЭШ-3х0.5 http://www.cable-msk.ru/catalog/mkesh/.
 
Подробнее о подключении цифровых термодатчиков http://mk90.blogspot.com/2011/04/1-wire.html.
Для подключения дополнительных термодатчиков рекомендуется использовать три витые пары (одна пара - одна линия) из четырех в кабеле САТ5 (витая пара 5-й категории)
 
- Как в ВМ8039 / ВМ8039D сделать так, чтобы можно было разговаривать по каналу охрана-мобильник?
- К сожалению, такая возможность в ВМ8039 / ВМ8039D отсутствует. Она имеется в МА3401 в режиме выхода ТРИГГЕР, для чего следует подключить любой электретный микрофон (например, HMO1003A-65) экранированным высокочастотным проводом (например, РК-75) любого сечения на расстоянии не менее 30 см. от модуля во избежание помех, наводимых его антенной. При использовании микрофона из мобильного телефона (его гарнитуры) экранированный провод не требуется, т.к. такой микрофон имеет помехозащитную конструкцию.
- Можно ли к ВМ8039 / ВМ8039D подключить АЦП на 4 входа DS2450?
- Да, конечно.
- В моем BM8039D, все работает, кроме выполнения команды по SMS MODESETLn=x. Кокой бы номер режима бы не посылал - выход всегда встает в состояние отключен, хотя изначально был сконфигурирован с компьютера в 1 или 2 режим. Управление по GSM – термостатирование и обратно, командой MODESETL1=1. MODESETL1=2. После этого выход встает в состояние «Канал управления не используется». Включается канал, только командой задания порогов термостатирования. MODESETL1=Т=18:20. А мне нужно периодически переходить с термостатирования на управление по GSM и обратно. Как изменить тип выхода с помощью СМС?
- Вы перепутали нумерацию пунктов с командами. Для изменения типа выхода, пожалуйста, отправьте СМС с текстом MODESETL1=G (вместо MODESETL1=2). Об этом указано в инструкции в разделе "Смена режима работы выхода".



































