Виктор Чистяков
г. Малоярославец
В каждом доме имеются бытовые электроприборы с питанием от электрической сети переменного тока. Расширить возможности и удобство использования многих из этих устройств можно за счет регулирования потребляемой ими мощности.
Одним из наиболее распространенных принципов регулировании мощности в сетях переменного тока является фазовый. При фазовом способе регулирования используется зависимость между моментом (фазой) открытия регулирующего элемента относительно начала полупериода питающего напряжения и потребляемой устройством мощностью.
Для регулирования мощности используется ключевой элемент, в качестве которого наиболее удобно использовать симистор. Изменяя задержку (фазу) времени открытия симистора относительно начала полуволны сетевого питающего напряжения можно регулировать потребляемую нагрузкой мощность практически от 0~до 100%. Зависимость напряжения на нагрузке от фазы открытия симистора показана рис. 1.
МАСТЕР КИТ предлагает ряд наборов для сборки регуляторов мощности. Работа всех регуляторов основана на фазовом принципе управления. Различаются они максимально допустимой мощностью подключаемой нагрузки. К регулятору на основе набора NF245 можно подключать нагрузку переменного тока мощностью до 500 Вт, к регулятору на основе NF246 мощностью до 1000 Вт, на основе NF247 до 2500 Вт. Собранные регуляторы позволят управлять мощностью электронагревательных и осветительных приборов (в т.ч. температурой нагрева электропаяльника), регулировать частоту вращения асинхронных электродвигателей переменного тока (вентилятора, электронаждака, электродрели и т.д.). Благодаря широкому диапазону регулировки и большой мощности регуляторы найдут самое широкое применение в быту.
Рис.1. Зависимость регулируемого напряжения от фазы открытия симистора.
Регулятор мощности на 500 Вт/220 В
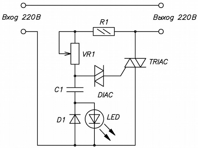
Набор NF245 позволяет собрать регулятор мощности на 500 Вт/220 В (аналог - готовый модуль BM245. Общий вид устройства представлен на рис.2, схема электрическая принципиальная на рис.3.
Рис.2. Общий вид устройства NF245.
Рис.3. Схема электрическая принципиальная NF245.
Описание работы
Симисторный регулятор мощности использует принцип фазового управления. Принцип работы регулятора основан на изменении момента включения симистора относительно перехода сетевого напряжения через ноль (начала положительной или отрицательной полуволны питающего напряжения).
В начале действия положительного полупериода симистор закрыт. По мере увеличения сетевого напряжения (рис.1), конденсатор С1 заряжается через делитель R1, VR1. Нарастающее напряжения на конденсаторе С1 отстает (сдвигается по фазе) от сетевого на величину, зависящую от суммарного сопротивления резисторов R1, VR1 и емкости С1. Заряд конденсатора продолжается до тех пор, пока напряжение на нем не достигнет порога «пробоя» динистора (около 32 В). Как только динистор откроется (следовательно, откроется и симистор), через нагрузку потечет ток, определяемый суммарным сопротивлением открытого симистора и нагрузки. Симистор остается открытым до конца полупериода. Резистором VR1 устанавливается напряжение открывания динистора и симистора. Т.е. этим резистором производится регулировка мощности. Во время действия отрицательной полуволны принцип работы схемы аналогичен. Светодиод LED индицирует рабочий режим регулятора мощности.
Конструктивно набор выполнен на печатной плате из фольгированного стеклотекстолита с размерами 38x27 мм. Монтажная схема устройства приведена на рис.4. Конструкция предусматривает установку платы в корпус, для этого на плате имеются монтажные отверстия под винт 3 мм. В таблице 1 приведен перечень элементов, используемых в регуляторе.
Таблица 1. Перечень элементов набора NF245.
| Позиция | Номинал |
| C1 | 0,1 мкФ |
| R1 | 4,7 кОм |
| VR1 | 500 кОм |
| DIAC | DB3, динистор |
| TRIAC | BT136-600E, симистор |
| D1 | 1N4148/16 В |
| LED | желтый светодиод |
Рис.4. Монтажная схема NF245.
Регулятор мощности на 1000 Вт/220 В
Набор NF246 позволяет собрать регулятор мощности на 1000 Вт/220 В. Электрическая схема данного регулятора аналогична схеме NF245, отличается лишь типом используемого симистора. В этом устройстве используется более мощный симистор. Общий вид устройства, электрическая и монтажная схемы аналогичны представленным на рис.2, рис. 3 и рис.4.
Рис.5. Общий вид устройства NF246.
Рис.6. Схема электрическая принципиальная NF246.
Таблица 2. Перечень элементов набора NF246.
| Позиция | Номинал |
| C1 | 0,1 мкФ |
| R1 | 4,7 кОм |
| VR1 | 500 кОм |
| DIAC | DB3, динистор |
| TRIAC | BTA12-600 B, симистор |
| D1 | 1N4148/16 В |
| LED | оранжевый светодиод |
Рис.7. Монтажная схема NF246.
Регулятор мощности на 2500 Вт/220 В
Регулятор мощности, собранный из набора NF247 позволит управлять нагрузкой до 2,5 кВт в сети 220 В переменного тока. Внешний вид устройства приведен на рис.5, а электрическая принципиальная схема - на рис.6. Схема устройства в основном аналогична схемам вышеописанных наборов. Добавлена помехоподавляющая цепь С2, R3. Выключатель SW позволяет разрывать цепь зарядки управляющего конденсатора С1, что приводит к запиранию симистора и отключению нагрузки. В остальном работа схемы полностью аналогична схемам устройств из наборов NF245, NF246.
Рис.8. Общий вид устройства NF247.
Рис.9. Схема электрическая принципиальная NF247.
Конструктивно набор выполнен на печатной плате из фольгированного стеклотекстолита с размерами 85x69 мм. С целью более эффективного теплоотвода предусмотрен радиатор для симистора. Монтажная схема устройства приведена на рис.7. Конструкция предусматривает установку платы в корпус, для этого на плате имеются монтажные отверстия под винт 3 мм. Переменный резистор, используемый для регулирования мощности, можно устанавливать на корпусе устройства.
Таблица 3. Перечень элементов набора NF247.
| Позиция | Номинал |
| C1 | 0,1 мкФ |
| C2 | 0,1 мкФ/630 В |
| R1 | 4,7 кОм |
| R2 | 2 MOм |
| R3 | 220 Ом |
| VR1 | 500 кОм |
| DIAC | DB3, динистор |
| TRIAC | BTA26-600B, симистор |
| D1 | 1N4148/16 В |
| LED | зеленый светодиод |
Рис.10. Монтажная схема NF247.
Для снижения уровня помех создаваемых регуляторами можно использовать сетевой фильтр, собираемый согласно рис. 8. Предохранители F1, F2 - на ток 3 А, конденсаторы С1, С2 – с рабочим напряжением 400…630 В (радиоэлементы фильтра в комплект наборов не входят).
Рис.11. Сетевой фильтр.
Заключение
Чтобы сэкономить время и избавить вас от рутинной работы по поиску необходимых компонентов и изготовлению печатных плат, МАСТЕР КИТ предлагает наборы NF245, NF246, NF247 позволяющие собрать регуляторы мощности для электронагревательных и осветительных приборов, асинхронных электродвигателей переменного тока. Наборы состоят из заводской печатной платы и всех необходимых компонентов. В комплект набора входит инструкция по сборке, эксплуатации и устранению возможных ошибок.











