Термореле BM4022 можно использовать для подогрева парника, жилого дома или сауны. Оно безопасно в обращении, поскольку работает от батарей или трансформаторного выпрямителя на напряжение 9 В, а его нагрузка изолирована от схемы управления.
К достоинствам термореле можно отнести широкий рабочий диапазон. С его помощью можно регулировать температуру от 0 до 150оС. Мощность нагрузки зависит от типа электромеханического реле, которое вы используете.
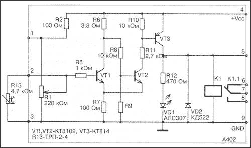
Общий вид термореле представлен на рис.1, его принципиальная электрическая схема – на рис.2.
Рисунок 1. Общий вид термореле 0…150оС
Рисунок 2. Схема электрическая принципиальная. На схеме неверно указан номинал резистора R6: должно быть 3,3 кОм. Номинал R9 - 10 кОм
Технические характеристики
Диапазон предварительной установки температуры: 0…150oС
Максимально допустимый ток нагрузки, не менее, А: 10
Напряжение питания устройства, В: 9…12
Ток потребления, не более, мА: 120
Размеры печатной платы, мм: 45х30
Термореле выполнено на основе триггера Шмитта (VT1, VT2), что позволяет исключить ложные срабатывания. В качестве датчика используется терморезистор R13. С помощью резистора R1 устанавливается порог срабатывания триггера. Выходной каскад термореле выполнен на ключевом транзисторе VT3, нагрузкой которого служит электромагнитное реле К1. Светодиод VD1 используется для индикации срабатывания реле и облегчает настройку устройства.
Чтобы изменить зависимость включения и выключения реле от температуры на обратную, терморезистор R13 необходимо подключить к контактам 1, 2 печатной платы.
Для повышения надежности устройства, при работе вне помещения или при повышенной влажности, на печатной плате предусмотрена установка постоянных резисторов R3 или R4, определяющих порог срабатывания, при этом R1 не устанавливается. При подключении R13 к конт. 2, 3 необходимо опытным путем подобрать R3 (R4 не устанавливать), при подключении R13 к конт. 1, 2 подберите и установите R4 (R3 не устанавливать).
Для управления внешними электронными устройствами термореле имеет дополнительный выход (конт. 5) типа “открытый коллектор”. При его использовании элементы VD1, VD2, R12, K1 устанавливать не нужно.
Смонтировав термореле в соответствии с монтажной схемой (рис.3 и рис.4), соедините монтажными проводами датчик температуры R13 с контактами 2, 3 устройства (длина соединительных проводов не должна превышать 5 м). Подключите устройство к источнику питания, соблюдая полярность в соответствии со схемой.
Рисунок 3. Печатная плата, вид сверху
Рисунок 4. Печатная плата, вид снизу
Включив питание, с помощью подстроечного резистора установите необходимую температуру срабатывания термореле. Правильно собранное устройство дополнительной настройке не нуждается.




