ОЧЕРЕДНОЕ ВОПЛОЩЕНИЕ «БРЕДОВОЙ ИДЕИ»:
ДЕЛАЕМ ВЫСОКОКАЧЕСТВЕННЫЙ СТЕРЕО УСИЛИТЕЛЬ МОЩНОСТИ ЗВУКОВОЙ ЧАСТОТЫ своими руками!
На самом деле это вовсе не бредовая идея, а реальное воплощение.
В этой статье мы расскажем, как своими руками сделать высококачественный стерео усилитель НЧ мощностью 2 х 70 Ватт с электронной регулировкой звука и баланса. Построить для него корпус и подключить светодинамический аналоговый индикатор.
Для усилителя необходимы следующие модули:
- MP5613 - Цифровой усилитель D-класса мощностью 2 x 150 Вт. Технология PurePath ™ HD.
- MP5630I2 - Индикатор для мощного усилителя НЧ (стерео).
- MP1054 – Светодинамический стрелочный индикатор уровня сигнала.
- MP1231 - Аудиорегулятор 2 канала.
- ESE150-24 – Блок питания. 150 Вт. 24 В.
- SL-01H - Теплоотвод с вентилятором.
- WP4-18FB - Kлеммник нажимной 4 контакта
- Светодиоды 5мм – 7 шт.
Так-так для питания MP5613 будем использовать блок питания на 24В, то в нагрузку 4 Ома он будет отдавать примерно 70 Ватт на канал. В результате получим 2 х 70 Ватт чистейшего звука технологии PurePath.
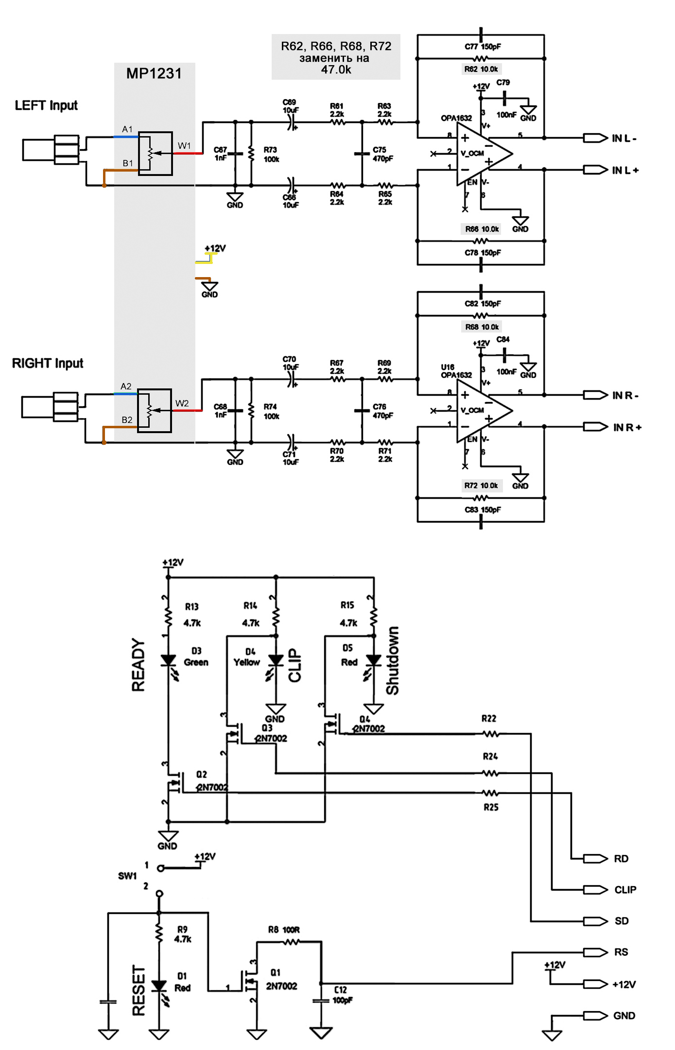
На входе усилителя будут установлены MP1231 (собран на AD8402 )в качестве регулятора громкости и баланса стереоканалов и MP5630I2 в качестве предварительного усилителя. Далее стереосигнал поступает на вход MP5613, а с него на акустические системы. Сигнал для светодинамического стрелочного индикатора снимается с выхода усилителя мощности, т.е. непосредственно с акустических систем.
Часть I. Регулировка уровня громкости на MP1231.
Начнем с входного каскада -.MP1231 + MP5630I2.
Схема подключения. Потенциометр MP1231 подключаем перед MP5630I2, как показано на немного изменённой схеме.
Для этого (рис.1 и 1dop) на обратной стороне платы MP5630I2 сразу после разъема RCA перерезаем сигнальные проводники на печатной плате, зачищаем их с обоих сторон. В это место врежем потенциометр. Провод, которым, соединяем потенциометр и предварительный усилитель должен быть экранированный. Обратите внимание на рисунке и схеме цвет проводников совпадает, подключать в соответствии с цветом и маркировкой.
Питание на MP1231 можно подать непосредственно с MP5630I2. На рисунке 2 показано, откуда можно взять 12В.
Рис.1
Рис.1dop
Рис.2
Небольшие доработки.
MP1231 вещь конечно эффектная, но не очень помехозащищенная. Т.е. на усилителях с большим усилением и мощностью в громкоговорителях иногда может слегка прослушиваться работа ШИМ модуляции на светодиодах MP1231 проходящая по цепям питания. А так как мы строим высококачественный усилитель нам этого никак нельзя допустить. Что необходимо сделать. Рис.3.
- Непосредственно к клеммам питания MP1231 вместе с подводящими проводниками зажать электролит на 1000 мкФ или больше.
- Электролит на 470 мкФ подпаять параллельно конденсатору С4.
- Корпус валкодера у MP1231 соединить с GND. Зачистить маску рядом с ножкой корпуса и пропаять.
- Соединить GND MP1231 и GND драйвера усилителя толстым проводом можно даже оплеткой. Это нужно сделать потому что источник 12В установлен на драйвере. Как это лучше всего сделать показано на рис.4.
После всех этих доработок уровень шума усилителя состоящего из MP5613 + MP5630I2 + MP1231 стремится к 0.
У MP5630I2 очень полезно поднять коэффициент усиления. Для этого нужно уменьшить глубину обратной связи. Меняем резисторы обратной связи R62, R66, R68, R72 на 47 К. (На производстве их устанавливают номиналом 10К.)
Рис.3
Рис.4
Продолжение следует.
Во второй части подключим MP1054 – Светодинамический стрелочный индикатор уровня сигнала.
А потом сделаем корпус из вспененного ПВХ.






