Пользующиеся заслуженной популярностью модули семейства Laurent, такие как
MP712 Laurent-2, MP718 Laurent-2G, MP712 Laurent-2 [KBX-100], имеют на борту четыре реле, обеспечивающие управление нагрузкой 220 В при максимальном токе 7 А. Однако, достаточно часто при конструировании систем автоматизированного управления на основе этих модулей возникает задача подключения более, чем четырех высоковольтных нагрузок. В этом материале мы расскажем, как правильно подключить до 12 дополнительных реле. Рассматриваемые схемы не требуют применения дополнительных электронных компонентов (кроме самих реле).
Реле будут подключаться к дополнительным дискретным линиям модуля Laurent.
На рисунке 1 приведена схема размещения выводов модулей:

Подробное описание клеммных контактов модуля приведено в следующей таблице:
Обозначение вывода | Вход / Выход |
Описание |
Vin | IN | Внешнее питающее напряжение величиной 5.5 – 28 В. |
+3.3V | OUT | Фиксированное напряжение +3.3 В от стабилизатора напряжения на плате (относительно GND). Можно использовать для питания внешних цепей и устройств. Нагрузочная способность: не более 0.7 А. |
+5V | OUT | Фиксированное напряжение +5 В от стабилизатора напряжения на плате (относительно GND). Можно использовать для питания внешних цепей и устройств. Нагрузочная способность: не более 1.5 А. |
GND | – | Земля |
OUT1 | OUT | Выходная дискретная линия 1 |
OUT2 | OUT | Выходная дискретная линия 2 |
OUT3 | OUT | Выходная дискретная линия 3 |
OUT4 | OUT | Выходная дискретная линия 4 |
OUT5 | OUT | Выходная дискретная линия 5 |
OUT6 | OUT | Выходная дискретная линия 6 |
OUT7 | OUT | Выходная дискретная линия 7 |
PWR1 | IN | Питающее напряжение для выходных линий OUT1 – OUT7 |
OUT8 | OUT | Выходная дискретная линия 8 |
OUT9 | OUT | Выходная дискретная линия 9 |
OUT10 | OUT | Выходная дискретная линия 10 |
OUT11 | OUT | Выходная дискретная линия 11 |
OUT12 | OUT | Выходная дискретная линия 12 |
PWR2 | IN | Питающее напряжение для выходных линий OUT8 – OUT12 и выхода ШИМ (PWM) |
TMP | IN | Вход для подключения внешнего цифрового датчика температуры KTS-18B20 |
GND | – | Земля |
ADC1 | IN | Аналоговый вход АЦП 1 |
ADC2 | IN | Аналоговый вход АЦП 2 |
GND | – | Земля |
GND | – | Земля |
GND | – | Земля |
GND | – | Земля |
IN_1 / INT_1 | IN | Входная дискретная оптоизолированная линия 1 / Счетчик импульсов 1 |
IN_2 / INT_2 | IN | Входная дискретная оптоизолированная линия 2 / Счетчик импульсов 2 |
IN_3 / INT_3 | IN | Входная дискретная оптоизолированная линия 3 / Счетчик импульсов 3 |
IN_4 / INT_4 | IN | Входная дискретная оптоизолированная линия 4 / Счетчик импульсов 4 |
IN_5 | IN | Входная дискретная оптоизолированная линия 5 |
IN_6 | IN | Входная дискретная оптоизолированная линия 6 |
ISO_GND | – | Оптоизолированная земля. Используется для входных дискретных линий и счетчика импульсов. Не имеет электрического контакта с общей землей схемы (GND). |
PWM | OUT | ШИМ выход |
+3.3V | OUT | Фиксированное напряжение +3.3 В от стабилизатора напряжения на плате (относительно GND). Можно использовать для питания внешних цепей и устройств. Нагрузочная способность: не более 0.7 А. |
GND | – | Земля |
RELE1.1 | OUT | 1-ый контакт 1-го реле |
RELE1.2 | OUT | 2-ой контакт 1-го реле |
RELE1.3 | OUT | 3-ий контакт 1-го реле |
|
| |
RELE2.1 | OUT | 1-ый контакт 2-го реле |
RELE2.2 | OUT | 2-ой контакт 2-го реле |
RELE2.3 | OUT | 3-ий контакт 2-го реле |
|
| |
RELE3.1 | OUT | 1-ый контакт 3-го реле |
RELE3.2 | OUT | 2-ой контакт 3-го реле |
RELE3.3 | OUT | 3-ий контакт 3-го реле |
|
| |
RELE4.1 | OUT | 1-ый контакт 4-го реле |
RELE4.2 | OUT | 2-ой контакт 4-го реле |
RELE4.3 | OUT | 3-ий контакт 4-го реле |
Мы будем использовать выходные дискретные линии OUT1-OUT12, выделенные в таблице жирным шрифтом.
С учетом этих двенадцати линий и четырех штатных реле, всего можно получить 16 линий управления высоковольтными сильноточными нагрузками.
Согласно документации, каждая выходная линия модулей Laurent может коммутировать нагрузку напряжением до 50 В и током до 0,5 А что позволяет напрямую, без дополнительных деталей и электронных компонентов подключить к модулю практически любой распространенный тип реле. Как известно, реле характеризуется не только параметрами коммутируемых нагрузок (напряжением и током), но и значением постоянного напряжения, которое нужно приложить к управляющей обмотке реле, чтобы его контакты переключились. На практике чаще всего применяются реле с управляющим напряжением 5, 12 и 24 В.
Напряжение управления реле удобно выбирать исходя из напряжения питания всей системы управления. В большинстве случаев это будет напряжение 5 или 12 В. Напряжение питания 24 В чаще встречается в промышленных системах.
Итак, переходим к схемам подключения дополнительных реле.
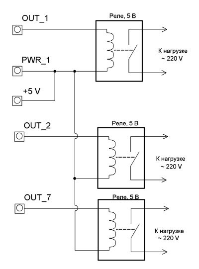
Рассмотрим схему подключения реле с напряжением питания 5 В:
Напряжение питания реле берется от самого модуля Laurent, который, в свою очередь, запитан от источника питания напряжением 6-12 В. Напряжение 5 В формируется встроенным в плату модуля стабилизатором и выведено на отдельную клемму +5V модуля. Контакт PWR_1, согласно приведенной выше таблице, предназначен для питания выходных линий с первой по седьмую.
В качестве реле можно использовать DK0116 Реле электромеханическое TRD-5VDC-SC-CL-R, 250В, 15А, или другое с аналогичными характеристиками.
Если есть необходимость подключить еще несколько реле (до семи в данном случае), то можно использовать линии OUT1 - OUT7. На схеме ниже показан вариант подключения трех реле к линиям OUT1, OUT2 и OUT7. Соответственно, по аналогичной схеме можно подключить реле ко всем линиям OUT1 - OUT7.
В том случае, когда требуется управлять еще большим количеством нагрузок, необходимое число реле можно подключить к линиям OUT8-OUT12. Для питания этих линий следует использовать клемму PWR2. Таким образом, клемма PWR1 должна использоваться для питания линий OUT1-OUT7, а клемма PWR2 для линий OUT8-OUT12, и обе этих клеммы должны быть подключены к клемме +5V. На рисунке ниже показано для примера подключение реле к линиям OUT1 и OUT11:
По аналогии подключаются все 12 реле к линиям OU1-OUT12 при использовании реле с напряжением срабатывания 5 В.
В случае необходимости применения реле с напряжением срабатывания 12 В для питания таких реле необходимо применить внешний источник питания, поскольку на плате Laurent не предусмотрен такой источник. На приведенном ниже рисунке в качестве внешнего источника питания изображен аккумулятор. С таким же успехом вместо него можно использовать сетевой блок питания (преобразователь AC-DC) ~220/=12 В. В качестве такого преобразователя можно рекомендовать модули PW1245, PW1221B или аналогичные. Вы можете ознакомиться с преобразователями AC-DC, предлагаемыми компанией Мастер Кит в этом материале.
В качестве реле можно применить DK0115 Реле электромеханическое BS-115C-12A-12VDC, 240В, 10А из каталога Мастер Кит, или аналогичное.
В случае необходимости использования всех выходных линий, выводы PWR1 и PWR2 следует подключить к плюсу используемого внешнего источника питания, как показано на схеме ниже:
На следующей схеме показано, как подключить питание самого модуля Laurent к тому же источнику питания, который используется для питания реле:
Как видно из схемы, питающее напряжение для модуля подается на клемму Vin.
Читайте обзоры и статьи по модулям Laurent на нашем сайте:
Сравнительный обзор модулей Laurent
Скрытые возможности модулей семейства «Лоран». Часть 1.






